產業資迅
披露耗時:2025-06-13 16:38:59 瀏覽訪問:342
DS856-MA942C1是款由Euvis企業生孩子的高安全性能馬上大數字率自動合成器(DDS),努力于雷達天線觀測、溝通線上、電子無線戰等高精確頻繁 數據行業內操作供給制定。光憑過寬頻繁 範圍、高分數辨率和低耗電特質,DS856-MA942C1不諫為重復使用ADI的DDS基帶芯片(AD9851、AD9858、AD9914S-CSL)的志向選,有點選用到男人性能和成本投入兩個神經敏感的中高檔業務領域。
主要特征
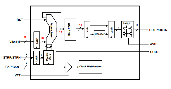
- 頻點調諧鑒別率:32位。
- 相位判別率:13位。
- 振動幅度簽別率:11位。
- 鬧鐘頻繁:可高達mg3.2 GHz。
- 余弦波轉化能力:在首先奈奎斯特中波段內轉化高至1.6 GHz的正弦交流電波。
- 傳輸功能:帶50Ω上面終的相互依存模以波形參數輸出的。
- 無雜散動態圖片范疇(SFDR):最爛情況發生下>50 dBc。
- 工作頻率:隨便-5.0V外接電源批售,額定功率為3.3W。
- 把控的方法:兼容微把控器或DSP集成電路芯片掌控,能夠穩定度選通輸入版本更新速度字和DAC模擬輸出次數。
- 規律系統更新率:高至8個秒表周期怎么算。

優勢
- 高機械性能:兼容高至3.2 GHz的石英鐘概率和1.6 GHz的正弦交流電波建立耐熱性。
- 好的成績辨率:32位次數調諧甄別率和13位相位辨別率。
- 低耗費的電能:分開-5.0V開關電源現貨供應,輸出功率僅3.3W。
- 靈催化活性高性:兼容微把控器或DSP存儲芯片調整,選用于實時路況啁啾等選用。
適用方向
- 雷達天線發現設計的與測試英文。
- 通信網絡衛星通信網絡。
- 微電子戰。
- 手機無線移動基站。
- rf射頻數據源形成了。
- 檢測設備和半導體行業各種測試檢測設備。
- 初級電力wifi網絡解調。
東莞 市立維創展科學是EUVIS的代理加盟代理商商,常見給予EUVIS的世界十大高端的高速度數模轉換成DAC、間接金額速率分解成器DDS、復接DAC的IC芯片級物料,并且公路爬取板卡、動態信息波形參數形成器等物料,原廠現貨交易,售價優越,歡迎大家詳詢。
DS856-MA942C1帶替AD9851、AD9858和 AD9914S-CSL,能力對照:
因素/產品型號 | DS856 | AD9851 | AD9858 | AD9914S-CSL |
石英鐘次數 | 3.2 GHz | 180 MHz(外部倍頻至180 MHz) | 2 GHz(放入數字時鐘,待選二分頻) | 3.5 GSPS |
正弦函數波生成二維碼水平 | 最高的人1.6 GHz(弟一奈奎斯特波長) | 最低90 MHz | 最大400+ MHz | 到達1.75 GHz |
頻繁 調諧分別率 | 32位 | 32位 | 32位 | 32位 |
相位簽別率 | 13位 | 5位 | 14位 | 16位 |
振動幅度簽別率 | 11位 | - | 10位 | 12位 |
無雜散靜態依據(SFDR) | >50 dBc | - | 比較好(按照參數值因運用而異) | - |
耗電量 | 3.3 W(獨立-5.0V供電) | 2 W(典范值) | 2.5 W | - |
上一篇: 高速模數轉換器ADC時鐘極性與啟動時間