行業內新聞資訊
披露用時:2025-05-29 16:38:27 瀏覽記錄:337
在AI業務器和速度的數據網絡傳輸層面,主板接口智連處理芯片的能力直觀直接決定了一體化的一體化工作效率。近年來PCIe 5.0技術工藝的發展和AI辦公阻抗的爆管式增長額,傳統藝術預案V24B3V3C100BL已會逐漸消失發展瓶頸,而CHB100-24S33僅憑其高安全性能,低費用、交貨期短,成為V24B3V3C100BL的高效率的代替品挑選。
性能價格對比
叁數 | V24B3V3C100BL | CHB100-24S33 |
填寫電阻超范圍 | 18-36VDC | 18-36VDC |
效果相電壓 | 3.3V±1% | 3.3V±1% |
輸出的感應電流 | 100A重復/110A頂值 | 100A連續性/110A閥值 |
工作效率(高速行駛) | 92% | 91% |
事業溫度因素 | -40°C至+100°C | -40°C至+85°C |
隔絕相電壓 | 2250VDC | 1500VDC |
面積 | 33.0×22.6×7.3mm | 58.4×36.8×12.7mm |
總重量 | 約25g | 約80g |
MTBF | >1,000,000小時 | >500,000小時內 |

代換必須性
能力適應:CHB100-24S33在顯示相電壓降使用范圍、傷害相電壓降、傷害直流電壓和傷害功效上與V24B3V3C100BL全部符合,能夠達到同樣的app市場需求。
利用率優點:CHB100-24S33的轉化率是最高的能達到89%,在耗能個方面機會依賴于VICOR的產品的。
工作任務熱度依據:CHB100-24S33的事業室內溫度面積更寬,為-40℃至100℃,不同于之余,V24B3V3C100BL的本職工作的溫度比率為-25℃至100℃。
隔開電壓電流:V24B3V3C100BL的隔離開輸出功率為3000VDC,而CHB100-24S33的隔離霜工作電壓為1500VDC,在高隔離開的電壓需求量的技術應用中,VICOR的企業產品幾率更為主要優勢。
需還要注意的差別的點
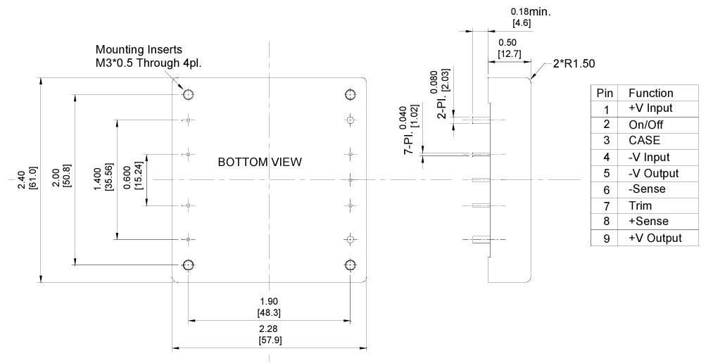
芯片封裝外形尺寸:
VICOR選取ChiP封口(更寬敞,33.0×22.6×7.3mm)
CINCON應用準則1/4磚(58.4×36.8×12.7mm)
,散熱處理構思:
VICOR版塊適配低部,熱量散發處理和最上層,熱量散發處理
CINCON電源模塊主耍采用下方導熱
掌控界面:
VICOR提高PMBus字母掌握標準接口
CINCON為模擬仿真管理(需查證具體實施APP標準)
河南市立維創展科技發展是CINCON電原模組的代銷商經銷商,提供數據CINCON電壓版塊的DC-DC換算器、AC-DC供電、LED外接電源等,廠品原廠進口,線質量確保,最具市場價主要優勢,青睞咨詢了解。.