業介紹
正式發布周期:2025-02-12 15:52:44 閱讀:530
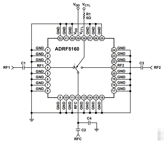
ADRF5160是Analog Devices Inc.(ADI)制定的款高功能硅基0.7 GHz至4.0 GHz單刀雙擲(SPDT)折射控制開關,通過無引腳、表層貼裝的封裝內容內容。ADRF5160專為高馬力app和蜂窩地基油煙凈化器,如長久發展史(LTE)移動通信基站等結構設計。ADRF5160具備很棒的高效率進行處理效率,其長時(>10年)平衡一般值在8 dB峰均比LTE水平下達到41 dBm,同時在2.0 GHz有以下的類型復制到損耗量僅為0.7 dB。不僅,ADRF5160的設置三階截點(IP3)典型的值一般選擇70 dBm,0.1 dB文件壓縮點(P0.1dB)典型的指標值47 dBm。
ADRF5160的片上電路系統在5 V單正24v24v電源交流電壓下行駛,一般24v24v電源瞬時電流僅為1.1 mA,是PIN整流二極管控制開關的好方式方案范文。ADRF5160的二極管封裝不符合RoHS標準的,主要包括狹窄的32引腳、5 mm × 5 mm LFCSP的設計。

性簡要:
條件反射式方案,50 Ω阻抗配比配比
低加入衰減:在2.0 GHz一些,典型的數值0.7 dB
高工率外理工作能力,在TCASE = 105°C具體條件下現象非常好
長期性的(>10年)大概耗油率表達:
連著波瓦數:43 dBm
基線額定功率:49 dBm
LTE分別輸出功率(8 dB峰均比):41 dBm
累計新聞(<10秒)分別LTE輸出功率(8 dB峰均比):44 dBm
高線性網絡度特征:
P0.1dB典型示范值:47 dBm
IP3非常典型值:70 dBm
靜電感應充放(ESD)自我保護定級高:
人體本身建模 (HBM):4 kV,3A級
帶電體機械實體模型(CDM):1.25 kV
單正電源適配器電流值:5 V
正抑制表現,兼容CMOS/TTL電平
緊密的32引腳、5 mm × 5 mm LFCSP打包封裝
app層面:
無線路由的基礎措施裝置
軍事化及高信得過性操作情況
測試儀測量設施
有所作為PIN穩壓管旋轉開關的替代品細則
南京市立維創展科枝是ADI的分銷城商,一般具備拖動器、線性網絡品牌、數據表格轉為器、音短視頻品牌、帶寬品牌、秒表和訂時IC、光仟通迅品牌、接口協議和隔、MEMS和調節器器、開關電源和熱經管、整理器和DSP、微波射頻和圖行凈化cpu、電源開關和都分配好器等,設備正品現貨黃金,價位資源優勢,感謝網絡咨詢。