互聯網行業信息資訊
發布消息時光:2024-11-13 17:32:14 訪問:853
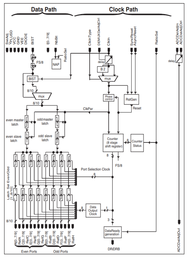
TS81102G0FS是E2V的兩款單支10位高速收費站(高至1.5Gsps)多路分用器。DMUX經常使用和各樣ADC與此同時工作中,富有體地說,TS81102G0FS與e2v高速度ADC 8位1Gsps TS8388B、ADC 10位2Gsps TS83102G0B好適應。
TS81102G0FS所采用由徹底的檢測的網絡架構,主要包括網絡延時抑制與可調式式輸出的電平。
TS81102G0FS能夠 讓訪客將高速的導出參數流定制到規范原則表現加工CPU速度(規范原則FPGA)

常見結構特征
可源程序DMUX增長率:
-1:4大數據傳輸速度較高=750 Msps
-PD(8b/10b)<4.3/4.7W(ECL 50打印輸出)
-1:8參數數率較高=1.5Gsps
-PD(8b/10b)<6/6.9W(ECL 50傳輸)
-1:16,帶1個TS8388B或1個TS83102GO和2個DMUX
串行傳輸摸式
8/10位
.ECL差分輸進數據庫
.數據信息源提前需備或數據信息源提前需備/2手機輸入鬧鐘
.錄入石英鐘抽樣延期自動調節
單端輸出電壓統計資料:-可控式共模和拖動-思維性域值參考使用轉換
-ECL、PECL、TTL
.異步從置
云同步開啟
.ADC和DMUX多綠色通道系統操作軟件:操作軟件于ADC采集實時居中合孤立時間延遲調高信息模塊
差評分據提前準備轉換
內置監測(BIST)
雙電源開關VEE=-5V,Vcc=5V
·針對輻射源受力整體的設定(預期超越100 Krad(Si))
熱加強CQFP196腔朝上封裝類型
建立
運作溫濕度:
-C級:0C-V級:-40℃-M級:-55C·“C”、“V”和“M”級的基準查檢階段
·ESA SCC 9000“M”級板塊需求操作過程(會按照標準)
北京立維創展科技發展是Teledyne E2V的生產商商,包括提供了Teledyne E2V數模轉變器和半導體技術,Teledyne E2V的app層面涵蓋通信設備、自主化、看到、醫院、綠色環保等。收費優越性,受歡迎在線咨詢。