相關行業新聞資訊
公布精力:2024-11-05 17:41:59 預覽:816
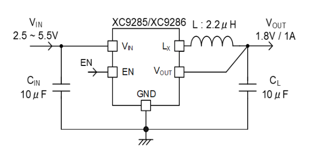
XC9285款型是TOREX電的兩款嵌入P銑面驅使FET和N銑面能夠FET的1.0A同樣整流穩壓DC/DC轉變器。
XC9285交流電源端電壓是可以在 0.8V 至 3.6V 超范圍以內以 0.05V 間隔來以及開發。僅有的第三方保護裝置是電感磁圈和電容(電收納空間)器。
HiSAT-COT把控好高速的瞬態反映技術工藝可在電流幅值前幾天將交流電源電流降為極低,十分滿足FPGA與需求電源模塊直流電壓可信性的生產設備等瞬時電機負載的變化明顯的工藝采用。
會按照應用,可以采用 SOT-25 和 USP-6C 選定擇封裝類型形勢。

的特征
手機輸入電流值:2.5V ~ 5.5V
電源模塊端電壓條件:0.8V~ 3.6V (±2.0%)
讀取電流值:1.0A
概率條件:1.2MHz
高效、性價比最高率:92%
工作電流耗費:15μA
調控具體方法:HiSAT-COT控制
保護英文傳動裝置:熱關上
基本結構性:軟起動
輸進打出電解電容(電容器):兼容淘瓷電解電容(電容器)
運行的環境室溫:-40℃ ~ 105℃
成都 市立維創展科持有限的介紹資源優勢包銷TOREX外接電源元器件,非常多期貨庫存積壓,喜愛咨詢服務。
類型 | 型號 | 傳輸輸出功率 | 事情頻點 | 芯片封裝 |
| XC9285A08CMR-G | 無CL尖端放電,無串電呵護 | 0.8V | 1.2MHz | SOT-25 |
| XC9285A0LCMR-G | 無CL蓄電池放電,無虛接保護好 | 0.85V | 1.2MHz | SOT-25 |
| XC9285A09CMR-G | 無CL釋放電能,無燒壞護理 | 0.9V | 1.2MHz | SOT-25 |
| XC9285A0MCMR-G | 無CL充放,無不導通愛護 | 0.95V | 1.2MHz | SOT-25 |
| XC9285A10CMR-G | 無CL釋放,無出現短路護理 | 1V | 1.2MHz | SOT-25 |
| XC9285A1ACMR-G | 無CL電池充電,無跳閘愛護 | 1.05V | 1.2MHz | SOT-25 |
| XC9285A11CMR-G | 無CL充放,無燒壞守護 | 1.1V | 1.2MHz | SOT-25 |
| XC9285A1BCMR-G | 無CL尖端放電,無燒壞保養 | 1.15V | 1.2MHz | SOT-25 |
| XC9285A12CMR-G | 無CL釋放,無燒壞保證 | 1.2V | 1.2MHz | SOT-25 |
| XC9285A1CCMR-G | 無CL釋放,無短路故障保護措施 | 1.25V | 1.2MHz | SOT-25 |
| XC9285A13CMR-G | 無CL發出電,無虛接保障 | 1.3V | 1.2MHz | SOT-25 |
| XC9285A1DCMR-G | 無CL電池充電,無擊穿保護英文 | 1.35V | 1.2MHz | SOT-25 |
| XC9285A14CMR-G | 無CL充放,無燒壞確保 | 1.4V | 1.2MHz | SOT-25 |
| XC9285A1ECMR-G | 無CL釋放電能,無短路等問題保護好 | 1.45V | 1.2MHz | SOT-25 |
| XC9285A15CMR-G | 無CL充放電,無擊穿保護的 | 1.5V | 1.2MHz | SOT-25 |
| XC9285A1FCMR-G | 無CL蓄電池放電,無出現短路保護英文 | 1.55V | 1.2MHz | SOT-25 |
| XC9285A16CMR-G | 無CL蓄電池充電,無擊穿保護英文 | 1.6V | 1.2MHz | SOT-25 |
| XC9285A1HCMR-G | 無CL釋放電能,無擊穿保護措施 | 1.65V | 1.2MHz | SOT-25 |
| XC9285A17CMR-G | 無CL電流,無短路故障自我保護 | 1.7V | 1.2MHz | SOT-25 |
| XC9285A1KCMR-G | 無CL尖端放電,無擊穿保護 | 1.75V | 1.2MHz | SOT-25 |
| XC9285A1LCMR-G | 無CL電池充電,無短路等問題自我保護 | 1.85V | 1.2MHz | SOT-25 |
| XC9285A19CMR-G | 無CL電池充電,無燒壞保護措施 | 1.9V | 1.2MHz | SOT-25 |
| XC9285A1MCMR-G | 無CL發出電,無出現短路保護性 | 1.95V | 1.2MHz | SOT-25 |
| XC9285A20CMR-G | 無CL充放電,無不導通呵護 | 2V | 1.2MHz | SOT-25 |