產業資訊、短視頻軟件
披露時候:2024-10-28 16:57:56 瀏覽器:738
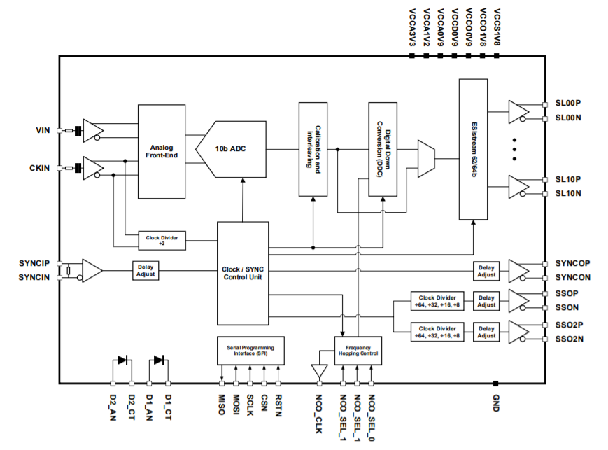
EV10AS940是款采用10位Kak線的單路變位系數轉化成器(ADC),采樣系統率高至12.8GSps,工作耗率為2.5W。是由于模塊化化兩個NCO,必備數值下變頻柜(DDC)和跳幀(FH)工作性,具備著多數字式過道。EV10AS940所采用無機基本的材質材料封口形勢,還可以保證 高速的和服務器帶寬測試儀把控。

本質特征
33GHz(-3dB)模似帶寬起步
高至12.8GSp
10位簽別率
2.5W功效耗用
500mVpp滿測量范圍內顯示高動態圖片范圍內
單端rf射頻和鐘表鍵盤輸入,帶板上直流電塊和50Ω積極地響應式
板上后背效準
數值下調頻(DDC)
I/Q下變頻柜,提供2到1024占比
1個粗通道或最高4個細出入口能夠 選定
速度快跳幀,有著專門用型確實性調節和3跳界面:
相位從置
相位間斷性性
相位一致性(幾大管道4個相位解鎖器)
可廣泛用于波束形成了的數字6網絡延遲和可程序語言收獲值
11個同歩HSSL
ESIstream 62/64b合同范本
多ADC關聯基本功能
3.3V/1.8V/1.2V/0.9V電開關電
高的1.2V至1.8V SPI打開24v電源
16.0x17.6mm2可揮發FCBGA
行間距為0.8mm的350個兌換積分(SAC305)
是最高的大環境高溫:-55°C(Tcase)至125°C(Tj)
RoHS(無鉛)
app前沿技術
小行星電訊釋放系統性,
電信光纖數據通信導彈發射裝置,
機載聲納(SAR)發射點系統
衛星影像通信技術、測控系統化、數據報告信號通路
電子無線戰(風控/加測)
軍事化微波通信整體
軍工行業用商家利用現貨黃金遙測設備
數字式存儲空間示波器
迅速遙測設備
射電天文
東莞 立維創展網絡是Teledyne E2V的生產商商,常見供求關系Teledyne E2V數模換算器和半導體器件,Teledyne E2V的廣泛使用場景還包括通信技術、自己化、發展、治療、安全等。價錢優勢,感謝聯系。
上一篇: 高速模數轉換器ADC時鐘極性與啟動時間