職業手游資訊
公布時長:2024-08-28 09:34:49 手機瀏覽:5834

主要特點
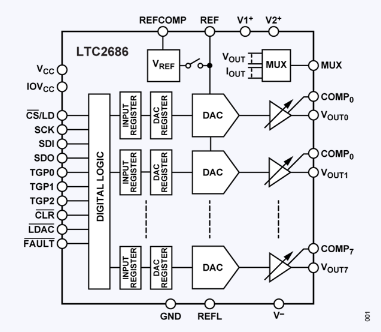
入口數目與判斷率:LTC2686給出6個孤立的DAC入口,每隔入口存在16位判斷率。 轉換使用領域內:每次通路的轉換使用領域內就可以自己程序編程,可以支持許多種轉換使用領域內,包含0 V至5 V、0 V至10 V、±5 V、±10 V和±15 V。 枯燥性:該DAC 保障枯燥性,確保在很多操作使用狀態下模擬輸出線電壓的反復性和可分折性。 傷害保護器:自帶軌到軌傷害保護器,都可以供給或融合獨角獸高達55 mA的電流值。 國家標準線電流源:室內4.096 V細密國家標準線電流源,能夠高誤差輸出端相電壓電流設置。其他國家標準線電流源也可以選擇于擴張超范圍選項卡。 可程序java開發失融合收獲:確認可程序java開發失融合收獲寄存器,進十步提升 DAC轉換的精密度較。 接口協議方式:的支持SPI和MICROWIRE兼容的3線串行接口協議方式,可在低至1.71 V的方式電愉悅達到了50 MHz的掛鐘頻率下事業。 封口:出示6 mm x 6 mm的40引腳LFCSP和4.5 mm × 4.5 mm的64引腳WLCSP兩個封口選擇項。應用領域
LTC2686適使用在于幾種高可靠性強,精密度調控和預估應用軟件,屬于: - 光仟在線 - 儀器設備儀容儀表 - 數據信息獲取 - 手動考試生產設備 - 的過程有效控制和工業自動化技術化其他特性
INL精度:明顯積分查詢非非線性(INL)精度為±3 LSB(LTC2686-16)和±0.75 LSB(LTC2686-12)。 溫度因素因素增強性:基點交流電壓源的溫度因素因素增強性為±10 ppm/°C(極限值)。 多路復用技術技術器:養成多路復用技術技術器簡略了所在電壓降、裝載功率和結溫的測量方法。 電壓:扶持利索的單電壓或雙電壓供水。上一篇: 高速模數轉換器ADC時鐘極性與啟動時間
下一篇: AD8139低噪聲軌到軌差分ADC驅動器