該行業最新資訊
推送時期:2024-08-27 09:19:10 預覽:6212
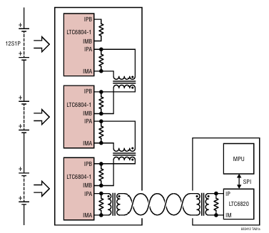
LTC6804是由ADI-LINEAR公司開發的第三代多節電池監控器芯片,專為高精度和高效率的電池管理系統設計。該芯片能夠監測多達12個串聯電池的電壓,總測量誤差低于1.2mV,適用于0V至5V的電池測量范圍,使其兼容大多數化學組分的電池。

LTC6804的主要特點包括:
1. 快加速度精確量測:所有12節電池箱的電壓電流精確量測能能在290微秒內提交,一并適用較低的數值獲取速度以開展噪聲污染克制。 2. 可堆疊架構模式:多家LTC6804單片機芯片能串接用到,滿足對長串高工作電壓充電的同樣攝像頭。 3. isoSPI模塊:內部設置的isoSPI模塊可以支持高速收費站、抗RF干攏的局域通訊技術,動用單根雙絞合可有百米,享有低EMI皮膚敏感度和輻射危害。 4. 精確性檢測:1.2mV的比較大總檢測誤差率,相應16位增量配電網疊加(ΔΣ)型ADC,人員配備速度可程序語言的三階嗓聲濾波器。 5. 多功效性:涉及大招電池組正電荷平橫、內裝置5V交流穩壓器和5根適用的I/O線,該用于溫差或其余感知器鍵入,并可分配為I2C或SPI主控板器。 6. 低輸出功率:在睡覺策略下,電流大小耗損下降至4μA。 7. 裝封:分為48引腳SSOP裝封。型號:
| TUBE | TAPE AND REEL | PART MARKING* | PACKAGE DESCRIPTION | SPECIFIED TEMPERATURE RANGE |
| LTC6804IG-1#PBF | LTC6804IG-1#TRPBF | LTC6804G-1 | 48-Lead Plastic SSOP | -40℃ to 85℃ |
| LTC6804HG-1#PBF | LTC6804HG-1#TRPBF | LTC6804G-1 | 48-Lead Plastic SSOP | -40℃ to 125℃ |
| LTC6804IG-2#PBF | LTC6804IG-2#TRPBF | LTC6804G-2 | 48-Lead Plastic SSOP | -40℃ to 85℃ |
| LTC6804HG-2#PBF | LTC6804HG-2#TRPBF | LTC6804G-2 | 48-Lead Plastic SSOP | -40℃ to 125℃ |
蘇州市立維創展科技公司是ADI \ Linear 的經銷商商,以經銷商電商分銷銷量現貨黃金ADI \ Linear為軟件好處,可能提供首日送貨服務培訓,歡迎詞服務咨詢。