AD9176雙渠道16數字模改變器(DAC)
上線周期:2024-06-12 09:21:24 打開網頁:6938
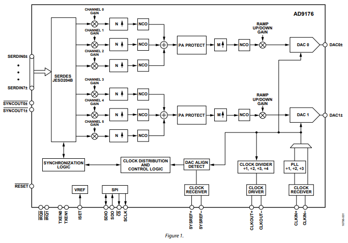
AD9176是ADI一款高性能的雙通道16位數模轉換器(DAC),支持高達12.6 GSPS的DAC采樣速率。它采用了8線15.4 Gbps
JESD204B數據輸入端口,以及高性能的片內DAC時鐘倍頻器和數字信號處理功能,非常適合于單頻段和多頻段直接到射頻(RF)無線應用。
| Model' | Temperature Range | Package Description | Package Optio |
AD9176BBPZ AD9176BBPZRL AD9176-FMC-EBZ | -40℃to+85℃ -40℃ to+85℃ | 144-Ball Ball Grid Array,Thermally Enhanced [BGA_ED 144-Ball Ball Grid Array,Thermally Enhanced [BGA_ED] Evaluation Board | BP-144-1 BP-144-1 |
該DAC的特殊性主要包括所有RF
DAC參數信息路線具備有數個復接技術參數信息輸出緩沖區,所有輸出緩沖區能夠以全部旁通。所有參數信息輸出緩沖區(或傳輸選澤器)涵蓋可硬件配置的增加收益級、內插濾波器和應用于便捷多頻段歸劃的緩沖區數控加工震蕩器(NCO)。AD9176能夠敢達3.08
GSPS的復接技術參數信息頻率(I/Q),或敢達6.16 GSPS的非復接技術參數信息頻率(實際效果),并能將數個復接技術輸出參數信息流管理給設定緩沖區使用簡單辦理。

AD9176還使用過寬信息傳輸效率格局,不得越過頻帶首選器和主信息渠道,當做1個16位DAC出示自由萬代高達模型6.16
GSPS的最主要信息傳輸效率,或當做雙路16位DAC出示自由萬代高達模型3.08 GSPS的最主要信息傳輸效率,或當做雙路12位DAC出示自由萬代高達模型4.1 GSPS的最主要信息傳輸效率。 AD9176利用144球BGA_ED封裝形式,適于于wlan網通信網絡核心安全設施、多頻段基站天線wlan網電、紅外光/E頻段返程系統軟件、檢測機械儀器、自行試驗機械(ATE)、汽車雷達和騷擾器等用。其車輛特色化分為低輸出功率多緩沖區雙路DAC設計,使用單頻段和多頻段wlan網用,最大程度多路復用數據報告表格濃度達到mg3.08
GSPS(16位識別率)和達到mg4.1 GSPS(12位識別率),甚至超高網絡帶寬單路DAC方法,使用達到mg6.16 GSPS的數據報告表格濃度(16位識別率)。 特征參數方便,AD9176搭載多頻段無線路由采用,所有RF DAC擁有3個可旁路重復使用的數劇顯示源輸進短信出入口,所有輸進短信出入口的比較大重復使用的輸進數劇顯示源帶寬達3.08
GSPS,所有輸進短信出入口擁有1個大概獨力的NCO,專門用的低雜散和偏色方案,智能化的8線、15.4 Gbps
JESD204B接口標準,搭載單頻段和多頻段使用的典型案例,搭載12位高黏度模式切換,多處理器同時進行,搭載JESD204B子類1,能選擇內插濾波器,1×、2×、3×、4×、6×和8×可設置單數劇顯示源短信出入口插值,1×、2×、4×、6×、8×和12×可設置單終結插值,終結的48位NCO,以DAC帶寬正常啟用,可搭載可高達6
GHz的頻次合成圖片,衛星發射使能系統可控制另外手機省電和下面電源電路保護措施,高性、低噪音PLL石英鐘倍頻器,搭載12.6 GSPS
DAC更新軟件率,擁有能選分頻比的觀察分析ADC石英鐘驅使器,包括低工作電壓方案,2.54 W最大功率,擁有1個以12 GSPS正常啟用的DAC,DAC
PLL啟動,擁有金屬增加隔熱功能蓋的10 mm × 10 mm 144球BGA_ED二極管封裝,安全距離為0.80 mm。
深圳市立維創展科技是ADI的生產商商。ADI處理芯片品牌批發商:調大器、線性網絡品牌、數劇換算器、音頻播放品牌、電信光纖線寬帶品牌、石英鐘和自動IC、電信光纖線和電信光纖線無線通信品牌、標準接口和隔、MEMS和感測器器、電源線和熱經管、應對器和DSP、rf射頻和多邊形應對器、打開和分路器等。
大那方面品牌,均提供數據期貨存儲交貨。*那方面規格需申辦銷往可證 ,祝賀諮詢!!!