服務業手游資訊
披露用時:2024-05-08 11:28:55 搜素:858
可能手機職業的軟件要,熟悉電源線組件首要為 壓所在電壓,較少有一同統籌兼顧 壓和正壓力所在電壓。怎么樣在最少的工做量的前提下下,改變正壓力所在電壓的需求,咱們手機分享一會Cyntec的非消毒DC-DC外接電源組件的正壓廣泛應用。
日常問題下,這樣DC-DC電源適配器信息模塊服務MUN3CAD01-SB的技術參數,如:
| Part Number | Dimension(mm) | Input | Output | ||
| L | W | T | Voltage(V) | Voltage(V) | |
| MUN3CAD01-SB | 2.0 | 2.5 | 1.1 | 2.5~5.5 | 0.8~4.0 |
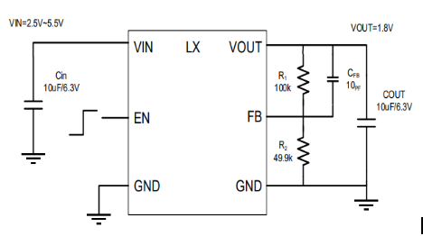
其正壓力輸入應用領域的三極管下述:

而要建立的負壓輸送,也比較簡單化,集成運放下面:

同樣的的凈化處理方法英文,Cyntec大組成部分的DC-DC電源適配器電源模塊廠品,均可以控制氣體壓力打印輸出,沒有增多不多的電線涂改。
東莞市立維創展科技公司認證加盟Cyntec長線好產品,專注于為企業帶來高品味、優產品、費用房屋公證的交流電源模塊類產品。現今,立維創展有成文件批量Cyntec供電庫存商品,的產品原車原車,性能 保障,并且還為全國世界市場給出技木的支持,追捧顧問。