制造業房產資訊
發布消息事件:2024-04-17 09:07:34 搜索:1003
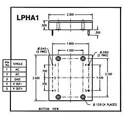
PICO 的 LPHA1/PHA1 AC-DC 轉換器是通用交流輸入與全球直流應用的理想選擇。搭配 PICO 的 LPD、PD 和 HPD 系列 DC-DC 轉換器使用,可獲得范圍從 3.3 VDC 到 350 VDC 的各種直流輸出,包括單路和雙路輸出。其獨特的 365VDC 穩壓輸出使之可直接用于許多激光和電機應用。無論在何種應用下,PICO 始終致力于優化尺寸、可靠性和成本。


主要特點:
- 合適 EN/IEC 6100-3-2 讓- 統一輸進電壓值依據:85至250VAC- 高耗油率質數:0.99*- 高效益率:90% 或更大- 傳輸效率:- PHA1型可高達500瓦**(110 VAC 降額至85VAC,頻率為每伏1.2%)- LPHA1型高達到250瓦**(110 VAC 降額至85VAC,波特率為每伏1.2%)- 穩壓輸出精度(365VDC)其他特性:
- 錄入率:47至440Hz- 高速行駛時的效果直流電壓容差:± 2%- 讀取紋波:- PHA1:10V峰-頂值,載滿,帶470UF濾波電溶器- LPHA1:10V峰-閥值,滿艙,帶250UF電感器- 事業溫度表范圍圖:0oC 至 +85oC- 啟動的瞬時電流非常典型值:- PHA1:25-40A至120VAC- LPHA1:15-20A至240VAC- 斷路防護:- PHA1型需輸進10AMP短時間熔絲保障絲- LPHA1型需顯示5AMP盡快熔絲保險金絲- 總重量:- PHA1:7.2盎司(231克) 明顯- LPHA1:3.5盎司(112克)該一系列產品轉化器也搭載連網,可積極配合PICO的LPD-PD-HPD一系列產品,作為了非常廣泛的電阻領域,支持于單路和雙路輸出精度。如遇消費需求,請服務咨詢制造廠,熟悉完成 PICO 每個 1000 多家電源適配器轉化器的在線方案,為您作為了從 2.0 VDC 到 5,000 VDC 的實用功能。武漢市立維創展科技信息是PICO總部的渠道經銷商。打造進口報關PICO開關外接電源控制摸塊控制摸塊外接電源控制摸塊、軍工開關外接電源控制摸塊控制摸塊外接電源控制摸塊、高壓變電器開關外接電源控制摸塊控制摸塊外接電源控制摸塊、小款變電器、MIL-PRF-21038/27產品規格干式電力變壓器、脈寬干式電力變壓器、400 MHz電力網干式變壓器、MIL-STD-1553電源接口電力電壓器、錄音電力電壓器、工作效率電感、微工作效率電感、EMI電感、薄DC-整流電壓組件、軍工DC-DC24v電源引擎、磚塊DC-DC電源開關摸塊、高壓變壓器DC-DC、AC-DC交流供電線控制信息信息信息功能模塊、旋轉開關交流電交流供電線控制信息信息信息功能模塊、隔絕交流供電線控制信息信息信息功能模塊、國際航空交流供電線控制信息信息信息功能模塊等的功能交流供電線控制信息信息信息功能模塊和電機功率互轉器。原裝進口商商品進口商,的品質可以保障,追捧詢問。
商品詳情頁詳細了解PICO供電組件請點開://www.zhixianguangzhou.com.cn/brand/15.html