業內資迅
發部的時間:2024-03-25 08:45:16 訪問:5942
觸發器電子器件是數字領域不可或缺的核心構造單元。它們常常作為順序邏輯電路中的狀態保持元件,發揮著至關重要的作用。此外,觸發器IC在多種通用功能實現上也大有作為,包括脈沖計數以及與參考時鐘或任意時間變量信號的精確同步。

ADI精心打造了一系列優質的D類和T類觸發器產品,以滿足市場的多樣化需求。這一系列產品的數據傳輸速率高達驚人的28 Gbps,時鐘頻率也能達到28 GHz,充分展示了其卓越的性能。ADI觸發器產品均嚴格遵循RoHS標準,確保了產品的環保性和安全性。同時,為了方便客戶的使用和集成,這些產品采用了標準的3 × 3或4 × 4 SMT封裝,使安裝和布局變得更加簡便高效。
產品選型:
| 物品型號 | Package | Data Rate (max)bps | Clock Input (max)Hz | Output Fall Time (typ)s p-p | Output Rise Time (typ)s p-p | Vout p-p (typ)V p-p | Vout p-p (min)V p-p | Vout p-p (max)V p-p | Power (typ)W | Vs (typ)V |
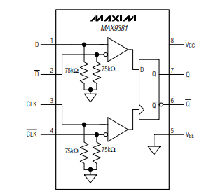
| MAX9381 | Small-Outline IC, Narrow (0.15in),Micro-MAX, Thin Shrink Small-Outline | 3G | 3G | 120p | 120p | 550m | 5 | |||
| HMC679 | 16-Lead LCC (3mm x 3mm w/ EP) | 26G | 26G | 17p | 18p | 1.1 | 600m | 1.3 | 270m | -3.3 |
| HMC723LC3C | 16-Lead LCC (3mm x 3mm w/ EP) | 13G | 13G | 17p | 19p | 700m | 1.3 | -3.3 | ||
| HMC723LP3E | 16-Lead QFN (3mm x 3mm w/ EP) | 13G | 13G | 17p | 19p | 700m | 1.3 | -3.3 | ||
| HMC727 | 16-Lead LCC (3mm x 3mm w/ EP) | 14G | 14G | 17p | 19p | 1.1 | 1.1 | 1.3 | 260m | -3.3 |
| HMC729 | 16-Lead LCC (3mm x 3mm w/ EP) | 26G | 26G | 17p | 18p | 1.1 | 1.2 | 270m | -3.3 | |
| HMC747 | 16-Lead LCC (3mm x 3mm w/ EP) | 14G | 14G | 20p | 22p | 1.1 | 700m | 1.3 | 264m | 3.3 |
| HMC749 | 16-Lead LCC (3mm x 3mm w/ EP) | 26G | 26G | 17p | 18p | 1.1 | 600m | 1.2 | 270m | 3.3 |
| HMC853 | 16-Lead LCC (3mm x 3mm w/ EP) | 28G | 28G | 14p | 15p | 1.1 | 700m | 1.3 | 240m | -3.3 |
西安市立維創展網絡是ADI的經銷商。ADI芯片產品供應:放大器、線性產品、數據轉換器、音視頻產品、寬帶產品、時鐘和定時IC、光纖和光纖通信產品、接口和間隔、MEMS和傳感器、電源和熱經管、處置器和DSP、射頻和圖形處置器、開關和分路器等。
大環節品牌,均出具現貨平臺存貨供應商。*環節款式需學生申請用于出口許證 ,受歡迎咨詢了解!!!上一篇: 高速模數轉換器ADC時鐘極性與啟動時間
下一篇: ADPA7007CHIP功率放大器ADI