制造行業內容
正式發布用時:2024-03-22 09:58:06 看:1062
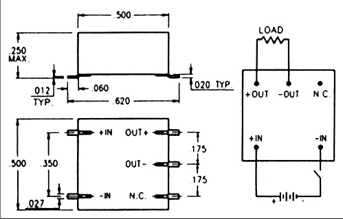
PICOAT-SAT品類是底部隔離式單路雙路打印輸送DC-DC轉變成器,就能在-25°C至+70°C的寬環境溫度范疇內安全穩定作業,必須三倍的導熱器或降額解決。直接,內嵌式的打印輸送電阻器和十二個省事的設置交流電壓頁面(3V、5V、9V、12V)能助移動用戶簡易化電源線路規劃。

AT底視圖 SAT底視圖
PICO AT-SAT系列產品供給許多形號確定,各種形號都具越來越低的交流電耗用。傷害電阻值為3.3-15V,最高根據交流電50-227mA,傷害功效將高達0.75W,該轉移器進行半導體設備超超小型芯片封裝類型,芯片封裝類型外形尺寸為0.5”x0.5”x0.2”。
| 串聯AT-SAT單路輸出 | |||||||||||
| PICO 插件 部件 號 | PICO 表面 貼裝 零件 編號 | 輸入 電壓。 (V直流) | 輸出 電壓 (V直流) | 最大負載 電流 (mA) | 最大輸出 功率 (瓦) | 典型 值 ( % ) | 電流 典型 值(mA) | 輸出 電壓 紋波 @滿 載* (Vp-p max) | 空載 電流 (典型 值) (mA) | 電壓 容差 (V DC) | 價格 (美元) |
| 3AT3.3S 3AT5S 3AT5.2S 3AT9S 3AT12S 3AT15S | 3SAT3.3S 3SAT5S 3SAT5.2S 3SAT9S 3SAT12S 3SAT15S | 33 3 3 3 3 | 3.3 5 5.2 9 12 15 | 197 130 125 83 63 50 | 0.65 0.65 0.65 0.75 0.750.75 | 61 66 66 70 72 73 | 355 328 328 357 347342 | 0.20 0.20 0.20 0.20 0.20 0.20 | 35 35 35 3535 35 | ±0.20 ±0.25 ±0.25 ±0.30 ±0.40 ±0.40 | 115.98 115.98 115.98 115.98 115.98 |
| 5AT3.3S 5AT5S 5AT5.2S 5AT9S 5AT12S 5AT15S | 5SAT3.3S 5SAT5S 5SAT5.2S 5SAT9S 5SAT12S 5SAT15S | 55 5 55 5 | 3.3 5.2 9 12 15 | 227 150 144 83 63 50 | 0.75 0.75 0.75 0.75 0.750.75 | 64 69 69 72 75 76 | 234 217 217 208 200 197 | 0.20 0.20 0.20 0.20 0.20 0.20 | 25 25 25 2525 25 | ±0.20 ±0.25 ±0.25 ±0.30 ±0.40 ±0.40 | 115.98 115.98 115.98 115.98 115.98 |
| 9AT3.3S 9AT5S 9AT5.2S 9AT9S 9AT12S 9AT15S | 9SAT3.3S 9SAT5S 9SAT5.2S 9SAT9S 9SAT12S 9SAT15S | 99 9 99 9 | 3.3 5 5.2 9 12 15 | 227 150 144 83 63 50 | 0.75 0.75 075 0.75 0.750.75 | 65 70 7072 78 80 | 128 119 119 116 107 104 | 0.20 0.20 0.20 0.20 0.20 0.20 | 15 15 15 1515 15 | ±0.20 ±0.25 ±0.25 ±0.30 ±0.40 ±040 | 115.98 115.98 115.98 115.98 115.98 |
| 12AT3.3S 12AT5S 12AT5.2S 12AT9S 12AT12S 12AT15S | 12SAT3.3S 12SAT5S 12SAT5.2S 12SAT9S 12SAT12S 12SAT15S | 12 12 12 12 1212 | 3.3 5 5.2 9 12 15 | 227 150 144 83 63 50 | 0.75 0.75 0.75 0.75 0750.75 | 66 71 71 73 78 80 | 95 88 88 86 80 78 | 0.20 0.20 0.20 0.20 0.20 0.20 | 88 8 88 8 | ±0.20 ±0.25 ±0.25 ±0.30 ±040 ±0.40 | 115.98 115.98 11598 115.98 115.98 |
| 串聯 AT-SAT 雙輸出 | |||||||||||
| PICO 插件 部件 號 | PICO 表面 貼裝 零件 編號 | 輸入 電壓。 (V直流) | 輸出 電壓 (V直流) | 最大負載 電流 (mA) | 最大輸出 功率 (瓦) | 典型值 (%) | 電流 典型 值(mA) | 輸出 電壓 紋波 @滿 載* (Vp-p max) | 空載 電流 (典型 值) (mA) | 電壓 容差 (V DC) | 價格 (美元) |
| 3AT5D 3AT9D 3AT12D 3AT15D | 3SAT5D 3SAT9D 3SAT12D 3SAT15D | 33 3 3 | 59 12 15 | 65 41 31 25 | 0.325 0.375 0.375 0.375 | 66 70 72 73 | 328 357 347 342 | 0.20 0.20 0.20 0.20 | 35 35 35 35 | ±0.25 ±0.30 ±0.40 ±0.40 | 130.66 130.66 130.66 130.66 |
| 5AT5D 5AT9D 5AT12D 5AT15D | 5SAT5D 5SAT9D 5SAT12D 5SAT15D | 59 12 15 | 75 41 31 25 | 0.375 0.375 0.375 0.375 | 69 72 75 76 | 217 208 200 197 | 0.20 0.20 0.20 0.20 | 35 25 25 25 | ±0.25 ±0.30 ±0.40 ±0.40 | 130.66 130.66 130.66 130.66 | |
| 9AT5D 9AT9D 9AT12D 9AT15D | 9SAT5D 9SAT9D 9SAT12D 9SAT15D | 99 9 9 | 59 12 15 | 75 41 31 25 | 0.375 0.375 0.375 0.375 | 70 72 78 80 | 119 116 107 104 | 0.20 0.20 0.20 0.20 | 15 15 15 15 | ±0.25 ±0.3 ±0.40 ±0.40 | 130.66 130.66 130.66 130.66 |
| 12AT5D 12AT9D 12AT12D 12AT15D | 12SAT5D 12SAT9D 12SAT12D 12SAT15D | 12 12 12 12 | 59 12 15 | 75 41 31 25 | 0.375 0.375 0.375 0.375 | 71 78 78 80 | 88 86 80 78 | 0.20 0.20 0.20 0.20 | 8 8 8 | ±0.25 ±0.30 ±0.40 ±0.40 | 130.66 130.66 130.66 130.66 |
長沙市立維創展科技信息是PICO工廠的包銷商。提供數據進囗的PICO電壓控制器、軍用裝備電壓控制器、油田電壓控制器、全自動電壓器、MIL-PRF-21038/27規格參數電壓器、脈寬電壓器、400 MHz能量變電器、MIL-STD-1553界面電力電抗器、音響電力電抗器、耗油率電感、小型空氣開關耗油率電感、EMI電感、薄DC-電流電傳感器、警用DC-DC供電電源模塊、磚塊DC-DC供電摸塊、高壓低壓DC-DC、AC-DC交流外接電旋轉開關模組、旋轉開關交流電交流外接電旋轉開關模組、防護隔離交流外接電旋轉開關模組、民航交流外接電旋轉開關模組等基本功能交流外接電旋轉開關模組和馬力更換器。正品軟件進口報關,的品質 保障,歡迎大家服務咨詢。
淘寶手機端熟知 PICO交流電源模組請點一下://www.zhixianguangzhou.com.cn/brand/15.html