業內新聞
發布公告時段:2024-01-24 17:13:11 瀏覽網頁:1162
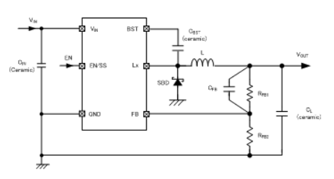
TOREX電源XC9247系列降壓DC/DC轉換器有內嵌運行在16V降壓N-溝道驅動包硫化鋅管。輸出電流高至1.0A高效穩壓電源。負載電容(CL)能夠使用陶瓷電容等低ESR電容。
XC9247一系列減壓DC/DC切換器必備嵌入1.0V系數電流端電壓源,輸送電流端電壓可能夠表面電容值隨時設備。畢竟開關按鈕聲音頻率高至1.2MHz,也可以保證冗余電子元器件的大中型化。XC9247系列的穩壓DC/DC變為器外部配置成1.5ms(TYP)軟啟動器的時,第二繼續使用EN/SS接組件拼接的電阻值和數量可隨便設施,比室內軟啟動器的時較長。
XC9247系列表穩壓DC/DC轉換成器兼具嵌入式UVLO性能性,可以在測式電阻小于時停下驅動程序晶胞管。漏電護理措施內置限流電集成運放超溫重啟集成運放和漏電護理措施電集成運放。

本質特征
填寫電壓值區間:4.5V~16V(隨廠品不一樣,VIN時間范圍都是所各種)
傷害電阻值使用范圍:1.2V~5.6V(VFB=1.0V)(隨軟件不一樣,VOUT使用范圍有所不同于)
所在電壓電流:1A(VIN≧6V and VOUT/VIN≦50%);1A(VIN<6V and VOUT/VIN≦40%);
運作速度:90%(VIN=12V,VOUT=5V,IOUT=200mA)
頻帶寬度超范圍:1.2MHz
上限pwm占空比:80%
帶軟起動:內布置1.5ms;其他快速設置:適合于外置RC所以地設制;
的控制原則:PWM/PFM會自動優化抑制
漏電保護英文:瞬時電流約束(積分系統閂鎖方試);超溫關斷;過壓保障;
UVLO:4.15V,5.65V,7.65V
模擬輸出濾波電阻:陶瓷制品濾波電阻
氣溫標準:-40℃~+85℃
適應環境節能減排標準規定:與EU RoHS的規格相對應的、無鉛化
規格 | UVLO解除凍結電壓降 | 上班率 | 封口 |
XC9247B42CER-G | 4.15V | 1.2MHz | USP-6C |
XC9247B42CMR-G | 4.15V | 1.2MHz | SOT-26W |
XC9247B65CER-G | 5.65V | 1.2MHz | USP-6C |
XC9247B65CMR-G | 5.65V | 1.2MHz | SOT-26W |
XC9247B75CER-G | 7.65V | 1.2MHz | USP-6C |
XC9247B75CMR-G | 7.65V | 1.2MHz | SOT-26W |