相關行業新聞
上傳時間:2023-12-15 17:05:13 手機瀏覽:1022
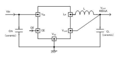
TOREX的XC9245編轉換成器是也可以運用瓷片濾波電容,內嵌式0.65ΩP銑面推動尖晶石管及0.45ΩN橫截主機電源面板開關結晶管的減壓此次整流DC/DC轉成器。僅食用電感電阻線和電阻為外接集成電路芯片,能穩定性高的作為最高的人400mA的瞬時電流。
XC9245全系列更換器內設計了電源模塊線電壓,也能在0.8V~4.0V的標準之間(±2.0%)以0.05V的隔斷取舍電源模塊電壓電流。XC9245一系列改換器辦公工作頻率高達獨角獸1.2MHz,能可以減少外接插件的圖片尺寸圖片尺寸。采用USPN-6芯片封裝行式。USPN-6打包封裝行駛最更適合對較高及位置有特殊要求的科技應用領域。
XC9245一系列切換器是由于在待機時整體結構電壓把控好電路退出啟用,能能自然損耗感應電流把控好在1.0μA下面的。在待機時,由CL高度尖端放電系統電源模塊使VOUT-VSS中間的架構供電控制開關導通,采用企業自身熱敏電阻使CL的自由電荷量蓄電池放電。某些工作才能在待機時以免 VOUT險遭外接電源的系統錯誤基本操作。
XC9245產品系列準換器由內層把軟起動服務器期限使用為0.25ms(TYP.),也能使供電電壓值髙的速度地增漲。
為了讓運維IC不熱傳遞信息受到損傷,XC9245全系列變為器選配信用卡積分地位方式英文的束縛電壓性能版塊。支持了UVLO(發送欠壓鎖閉Under Voltage Lock Out)基本功能方案,在輸人工作電壓不少2.25V(最好)時,強制性關閉內部組織推動納米線管作業題。

的特點
預置能夠器:0.65ΩP-ch安裝驅動納米線管.,0.45ΩN-ch導入整流面板開關氯化鈉晶體管.
手機輸入電阻值范圍圖:2.3V~6.0V
輸入交流電壓時間范圍:0.8V~4.0V(0.05V相隔)
高轉變成質量:90%(TYP.)
輸入輸出交流電:400mA
本職工作幀率:1.2MHz(±15%)
較大占空比:100%
功能模塊:情人節限定功率(定電流值+積分兌換閂鎖玩法),CL高速公路自然自放電,帶軟加載
輸出電解電容:陶瓷廠家電解電容
調節具體方法:PWM/PFM全自動開啟掌控
上班溫度區間:-40℃~+85℃
不適應節能環保規定與EU RoHS規格為使用、無鉛
上一篇: AC-DC電源模塊_AC-DC轉換器——PICO電源模塊
下一篇: ?DELTA網通設備電源