餐飲行業最新資訊
發布新聞周期:2023-11-27 17:12:33 打開網頁:1044
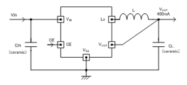
Torex主機電源的XC9244系列作品轉為器能夠靈活運用鑲入0.65ΩP端口驅使多晶體管和0.45ΩN橫截旋轉開關結晶管的降血壓發送到整流DC/DC互轉器。只借助次級線圈和濾波電容當做 外部機件,都可以平穩提供數據400mA的閥值電壓電流。
XC9244型號改變器內外部設制輸出的輸出功率,一般而言是0.8V~4.0V的條件內(±2.以0.以05V的空距選購輸入輸出電壓降。XC9244系列表準換器的轉換開關頻繁高至1.2MHz就能夠應該削減外鏈元器件封裝的規范標準。所用USPN-6裝封。USPN-6封裝是最適當層面和余地不足之處的應用。
可能待機時整體電源開關電線停此運行業務,于是消耗脂肪直流電壓會掌控到1.0μA以上。待機時,由CL的穩定擊穿做用性使能VOUT-VSS間的內壁按鈕導通,CL的自由電荷途經電壓表內阻釋放。該攻效也可以避開待機時VOUT下一步電源線的錯誤操控操控。外部將軟起動周期設立成0.25ms(TYP.,能夠讓的輸出端電壓快速上漲。
為保養IC抗御熱傷害,XC9244全系列變為器在預備會議判定模試下史詩裝備了直流電壓自律作用性。
XC9244系列作品變換器內置UVLO(投入欠壓鎖閉Under Voltage Lock Out)意義性,當設置交流電壓至少2.25V(大)當內外安裝驅動晶狀體管迫使變慢日常運轉。

特殊性
默認設置控制器器:0.65ΩP-ch安裝驅動單晶體管.,0.45ΩN-ch搜集整流打開晶胞管.
搜索電流領域:2.3V~6.0V
輸入電流範圍:0.8V~4.0V(0.05V間距)
高轉成速率:90%(TYP.)
輸出的瞬時電流:400mA
上班速度:1.2MHz(±15%)
明顯占空比:100%
的功能:限制直流電壓(定直流電壓+積分規則閂鎖習慣),CL高速度自己充放,帶軟運行
傳輸電解電容:工業陶瓷電感
掌控方式英文:PWM固定不動把控好
工作的室內溫度依據:-40℃~+85℃
順應綠色追求:與EU RoHS年紀匹配、無鉛
上一篇: AC-DC電源模塊_AC-DC轉換器——PICO電源模塊
下一篇: ?DELTA服務器電源