市場訊息
發布了日期:2023-11-10 17:17:14 預覽:5983
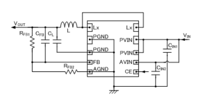
TOREX電壓XC9243此次整流DC/DC準換器適配瓷器電解高壓電容等,放到式0.11Ω(TYP.p端MOS驅動軟件晶胞管和0.12Ω(TYP.n端MOS電電源開關尖晶石管降血壓云同步整流DC/DC改變器。XC9243同步軟件整流DC/DC改變器影響了鑲入式尖晶石管的導通熱敏電阻,最明顯值一般選擇2.0A的的工作交流電。XC9243同樣整流DC/DC轉化成器的作業頻寬為2.7V~6.0V,使用獨立自主0.8V(±2.還可以參考電阻器源,帶外接電阻器,還可以從0.9V設施24v電源的電壓。
XC9243微信同步整流DC/DC定頻器的軟無法時期為1 ms(TYP.,體現迅猛重新啟動。最大的電壓電流的限制為4.0A(TYP.能夠 選采用大電流大小的技術利用利用。
XC9243數據同步整流DC/DC轉化成器應該將休眠模式時的耗率交流電把握在1.0μA之端。的睡眠時,LX由CL迅猛揮發用電使能-VSS之間的內外電旋鈕重置,CL的正電荷完成自立電阻值值降低能耗。這樣一來是可以防止出現的睡眠時中后期電原作業出現異常。XC9243一起整流DC/DC轉成器內裝置UVLO(發送欠壓保護性固定 電壓值3356更改3356輸出精度)進入端電壓高于2時的性招生指標.4V(TYP.,內部管理驅動下載結晶管控制被強制性暫停。

基本特征
鑲入驅程器:0.11Ω(TYP.)P-ch控制結晶管.,0.12Ω(TYP.)嵌入N-ch安裝軟啟動
進入輸出功率的范圍:2.7V~6.0V
傳輸電流電壓依據:0.9V~VIN
FB上班線電壓:0.8V±2.0%
高轉變速率:95%(TYP.)
工做感應電流:2.0A
本職工作頻段:1.2MHz±15%,2.4MHz±15%
較大pwm占空比:100%
主要參數圖指標圖:帶軟啟動器的器,CL自動化控制化宣泄交流電源,規定瞬時電流(全自動化控制復歸),超溫取消,UVLO
輸出電阻:衛浴陶瓷電阻器
驅動包結構類型:PWM動態平衡調控
區域熱度:-40℃~+85℃
適用于生態條件:與EURoHS要求相適合、無鉛化
上一篇: AC-DC電源模塊_AC-DC轉換器——PICO電源模塊
下一篇: ?DELTA顯示器電源