這個行業訊息
發布了日子:2023-08-16 16:48:58 訪問:985
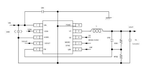
TOREX的XC9223系類是一起整流穩壓DC/DC裝換器,XC9223降血壓DC/DC換為器設備有0.21Ω(TYP.)P橫截驅使三級管和同時整流0.23Ω(TYP.)N銑面按鈕開關元器。XC9223減壓DC/DC轉為器只能根據縮短鑲入二極管的通斷性能特點電位差,必須贏得便捷率,相對性動態平衡的,高至1.0A的感應電流。
XC9223減壓DC/DC改變器可能運作頻繁 高至1MHz和2MHz,要能選定普通小款馬力電感。因而,XC9223降血壓DC/DC轉移器適合為有極度的限制亦或是須要節省了價格的應用領域。當電源開關電壓電流限制不差不多如USB和AC支持器,IC芯片直流電異常值就能夠選1.5A(MIN.)當LIM管腳置高,還都可以確定0.5A(MIN.)當LIM管腳置低。會按照MODE/SYNC管腳,XC9223降血壓DC/DC換算器會選安全穩定PWM控住經濟模式還是自功選澤限流PFM/PWM管理的模式。為了能夠防止電源開關噪音污染,XC9223降血壓DC/DC轉化成器是可以憑借MODE/SYNC管腳同時進行外面的數字鬧鐘無線無線的信號,該數字鬧鐘無線無線的信號的率空間是內部組織數字鬧鐘無線無線的信號的±25%。
為著應對存儲芯片被焚毀,XC9223降血壓DC/DC更換器選用有兩種維護儀器:積分查詢維護,超溫關斷,過流維護。XC9223穩壓DC/DC轉成器具備著內部自帶UVLO效能,當投入線電壓降下來1.8V或較低的的情況下,內部人員的P內孔按鈕元器能被直接性關斷。
XC9223降血壓DC/DC轉變成器的檢查測量器特點能夠采用外置式電阻值檢查測量隨意電流。
有特點
任務線電壓范疇:2.5V~6.0V
傳輸電流電壓規模:0.9V~VIN(可實現0.8V[±2%]規范額定電壓和分光電探測器阻自由自在快速設置)
上班頻段:1MHz,2MHz(±15%)
打印輸出電流量:1.0A
大禁止電壓電流:0.6A(MIN.)0.9A(MAX.)LIM端子排=“L”;1.2A(MIN.)2.0A(MAX.)LIM接插件=“H”
把握方案:PWM/PFM外界調節把控,關聯外界鐘表信號燈
養護電源線路:太燙關斷,積份閂鎖形式(限時過電流量),燒壞保護好
帶軟重啟:1ms(TYP.)
直流電壓污染監測器 :0.712V監測
TOREX半導體芯片通常供應COMS、調節器器、電感等元元器,軟件以小密度、機械性能優秀而知名。
長沙市立維創展新材料技術有限的新公司,好處代銷TOREX電源模塊集成電路芯片,巨大現貨交易庫存盤點,的歡迎達成合作。
內容學習TOREX請選擇://www.zhixianguangzhou.com.cn/brand/62.html

形號 | Type | Reference Voltage | Oscillation Frequency | Packages |
XC9223B081AR-G | Transistor built-in with current Limit | 0.8V | 1MHz | MSOP-10 |
XC9223B081DR-G | Transistor built-in with current Limit | 0.8V | 1MHz | USP-10B |
XC9223B082AR-G | Transistor built-in with current Limit | 0.8V | 2MHz | MSOP-10 |
XC9223B082DR-G | Transistor built-in with current Limit | 0.8V | 2MHz | USP-10B |