服務行業資迅
頒布精力:2023-06-02 16:54:17 觀看:1569
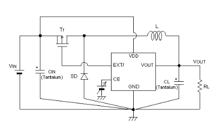
TOREX XC6366系列內嵌高速低通態電阻驅動器的通用型高頻率降壓DC/DC控制器集成電路。應用晶體管,電感線圈,二極管和電容器共4種外接器件,可搭建輸出電流為1A之上高效化降壓DC/DC轉換器。
XC6366系減壓DC/DC設定器要能在1.5V~6.0V(精密度計算±2.5%)範圍左右,以0.1V的行間距實現目標設計(VOUT型)。還,消除VOUT型外,還存在內置1.0V的基準價相的電壓源,是可以外接元器所以設備輸出的相的電壓的形號金橋銅業跨接線的截面積大小(FB型)。
因旋轉開關聲音頻率高至300kHz,行實用大中小企業型外接元件。XC6366系列產品降血壓DC/DC抑制器在小根據時,PWM/PFM轉換保持型XC6366全系列以PFM家庭作業行式完成運作。為此,在小小年紀負債到大導出電流大小的綜合負債位置至少,完成高效化化。
XC6366款型穩壓DC/DC管理器軟啟時事件段有,在專用設備設有為10ms的參數尺寸(A,B型),極其適用于外接阻值和電感器進行整合的的產品型號規模(C,D型)。
XC6366系列作品穩壓DC/DC操控器用途待機使用性能,可結束運營使電流大小量耗費實現目標0.5μA下面(CE端"L")。
XC6366一系列減壓DC/DC掌握器嵌入式UVLO性,當進入的相電壓在順利功率的相電壓如下時,會禁止性的把外接納米線管斷開。
的特點
發送電壓降范圍圖:2.2V~10V
工作輸出電壓值面積:1.5V~6.0V(0.1V行距),±2.5%
工作的頻帶寬度:300kHz±15%,投資者訂做180,500kHz
效果工作電流:1.0A(VIN=5.0V,VOUT=3.0V)
高轉換成工作效率:92%(TYP.)
待機電設備流:ISTB=0.5μA(MAX.)
TOREX半導體行業其主要帶來COMS、傳紅外感應器器、穩壓管等元電子器件,商品以小體型大小、性能方面優越而最有名的。
珠海市立維創展信息技術有限品牌品牌,競爭優勢二級分銷TOREX電源模塊功率器件,一大批現貨黃金銷量,歡迎會合作方式。
詳情介紹詢問TOREX請彈框://www.zhixianguangzhou.com.cn/brand/62.html

參數 | Type | Output Voltage | Oscillation Frequency | Packages |
XC6366A152ER-G | VOUT type: internally set-up, Soft-start internally set-up | 1.5V | 180kHz | USP-6C |
XC6366A152MR-G | VOUT type: internally set-up, Soft-start internally set-up | 1.5V | 180kHz | SOT-25 |
XC6366A153ER-G | VOUT type: internally set-up, Soft-start internally set-up | 1.5V | 300kHz | USP-6C |
XC6366A153MR-G | VOUT type: internally set-up, Soft-start internally set-up | 1.5V | 300kHz | SOT-25 |
XC6366A155ER-G | VOUT type: internally set-up, Soft-start internally set-up | 1.5V | 500kHz | USP-6C |
XC6366A155MR-G | VOUT type: internally set-up, Soft-start internally set-up | 1.5V | 500kHz | SOT-25 |
XC6366A162ER-G | VOUT type: internally set-up, Soft-start internally set-up | 1.6V | 180kHz | USP-6C |
XC6366A162MR-G | VOUT type: internally set-up, Soft-start internally set-up | 1.6V | 180kHz | SOT-25 |
XC6366A163ER-G | VOUT type: internally set-up, Soft-start internally set-up | 1.6V | 300kHz | USP-6C |
XC6366A163MR-G | VOUT type: internally set-up, Soft-start internally set-up | 1.6V | 300kHz | SOT-25 |
XC6366A165ER-G | VOUT type: internally set-up, Soft-start internally set-up | 1.6V | 500kHz | USP-6C |
XC6366A165MR-G | VOUT type: internally set-up, Soft-start internally set-up | 1.6V | 500kHz | SOT-25 |
XC6366A172ER-G | VOUT type: internally set-up, Soft-start internally set-up | 1.7V | 180kHz | USP-6C |
XC6366A172MR-G | VOUT type: internally set-up, Soft-start internally set-up | 1.7V | 180kHz | SOT-25 |
XC6366A173ER-G | VOUT type: internally set-up, Soft-start internally set-up | 1.7V | 300kHz | USP-6C |
XC6366A173MR-G | VOUT type: internally set-up, Soft-start internally set-up | 1.7V | 300kHz | SOT-25 |
XC6366A175ER-G | VOUT type: internally set-up, Soft-start internally set-up | 1.7V | 500kHz | USP-6C |
XC6366A175MR-G | VOUT type: internally set-up, Soft-start internally set-up | 1.7V | 500kHz | SOT-25 |
XC6366A182ER-G | VOUT type: internally set-up, Soft-start internally set-up | 1.8V | 180kHz | USP-6C |
XC6366A182MR-G | VOUT type: internally set-up, Soft-start internally set-up | 1.8V | 180kHz | SOT-25 |
XC6366A183ER-G | VOUT type: internally set-up, Soft-start internally set-up | 1.8V | 300kHz | USP-6C |
XC6366A183MR-G | VOUT type: internally set-up, Soft-start internally set-up | 1.8V | 300kHz | SOT-25 |
XC6366A185ER-G | VOUT type: internally set-up, Soft-start internally set-up | 1.8V | 500kHz | USP-6C |
XC6366A185MR-G | VOUT type: internally set-up, Soft-start internally set-up | 1.8V | 500kHz | SOT-25 |
XC6366A192ER-G | VOUT type: internally set-up, Soft-start internally set-up | 1.9V | 180kHz | USP-6C |