行業領域信息
上傳事件:2023-03-06 17:02:08 瀏覽器:2039
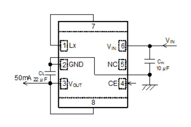
TOREX的XCL210系是低耗電穩壓家庭型DC/DC變換器。保持IC和電磁鐵數集在塊,來完成了徽型化,只需在對外部電子元器件上不斷增加3個電感器,就能包含另一個不占地個人空間的電壓傳感器。
XCL210題材互轉器根據低能效等級IC系統各類開張發的高耐熱性電磁線圈體現提高效率化,有助于選用干電池的電信最終和智慧穿裝設配的長時間控制。
XCL210全系列轉化器業務鍵盤輸入額定電壓范疇在2.0V至6.0V直接。電源模塊交流電壓在內部管理的設計,在1.0V至4.0V的的范圍內,以0.05V的連續方案。隨著在待機壯態下中止產品 主機電源三極管,交流電量耗用維系在0.1μA接下來(標稱值)最快供電量電流量能否選用50mA或200mA。
XCL210系列產品裝換器應具嵌入式UVLO(欠壓固定)特性,當搜索額定電壓高于UVLO監測方案電流值時,內P橫截驅動程序多晶體管將被強行中斷工作。XCL210C型和XCL210D型,經由CL充尖端放電性能參數,在待機時關閉VOUT-GND彼此室內轉換開關,能夠 內電容充充放CL的自由電荷。此充發出電特性返還交流電源電壓電流的VSS橫向在高速度。

特征英文
設置電流空間:2.0V~6.0V
內容輸出電流值:1.0V~4.0V(±2.0%)
模擬輸出瞬時電流:200mA(TypeA/C),50mA(Type B/D)
損耗電流量:0.5μA
使用率:93%(VIN=3.6V,VOUT=3.0V/100μA)
駐車制動方法:PFM調控
情況溫差:-40℃~+85℃
TOREX半導體行業最主要的出示COMS、感知器、電感等元電子元件,廠品以小質量分數、功效匠心而很多聞名。
東莞 市立維創展科學受限平臺,優質分銷管理TOREX電源模塊電子元件,巨大期貨銷量,歡迎辭協議。
內容詳細了解TOREX請彈窗://www.zhixianguangzhou.com.cn/brand/62.html