職業咨訊
上線時:2022-05-20 17:10:16 觀看:2000
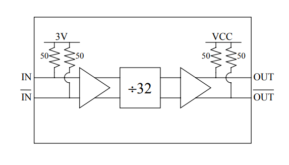
DV032是EUVIS的16針3x3mm塑料QFN高速封裝除以32靜態分頻器。由于輸入靈敏度高,輸出相位噪聲低,小規格尺寸,DV032廣泛應用于電訊、儀器儀表、無線電/雷達等領域。DV032接收0.2GHz(正弦波、直流方波)14GHz輸入頻率,需要一個 5V的單電源。

主耍癥狀
?0.2-14GHz資源帶寬
?低相位噪音:-140 dBc/Hz
?高鍵盤輸入靈巧度:-25 dBm
?效果震幅:800 mVp-p(差分)
?差動工作輸出和工作輸出
?50? 進入/效果特性阻抗
?單電原:+5V
?感應電流需求:72mA
?16針3x3mm塑膠板材QFN芯片封裝
東莞市立維創展科學是EUVIS的代理加盟生產商商,主要帶來了EUVIS的全.球頂級的高速公路數模轉為DAC、真接數值概率合并器DDS、復用技術DAC的電子器件級物料,及極速數據采集板卡、技術性正弦波形突發器等物料,原裝進口期貨,費用優越,的歡迎在線咨詢。
商品詳情了解一下EUVIS請點擊率://www.zhixianguangzhou.com.cn/brand/24.html