這個行業信息資訊
推送耗時:2022-05-12 16:34:31 看:2068
現在市場上TI的廢料TPS82130、TPS82140、TPS82150稀缺,會造成方式商市場價溢價率低于50倍,IC的本身的價值都已經 被彎曲。誠然TI的廢料品質保證不可刻薄,被亞洲地區顧客認同感,應該如何改善太過窘境,臺達Cyntec適當入憲了pin to pin原位改用方案格式。
主要參數 | 錄入線電壓 | 輸出精度工作電壓 | 電流量 |
TPS82130 | 3~17V | 0.9~6V | 3A |
TPS82140 | 3~17V | 0.9~6V | 2A |
TPS82150 | 3~17V | 0.9~6V | 1A |
TPSM82903 | 3~17V | 0.4~5.5V | 3A |
這類微形POL供電功能模塊,大小小,僅為3.0mm x 2.8mm x 1.5mm,集就成了DC-DC基帶芯片、電感,很大程度上地簡化法了客人規劃,一并能夠可以提供不錯EMI性。

而Cyntec的原位替代產品 MUN12CAD03-SEC , 以完全不用改動PCB,并且以超低的紋波特性,被廣泛應用于儀表、通信、服務器等領域。
1. 性能指標對比分析
材質 | 長寬高 | 發送的電壓 | 打印輸出的電壓 | 功率 | Vfb |
TPS82130 | 2.8*3.0*1.5mm | 4.5~17.0V | 0.9~6.0V | 3A | 0.8V |
MUN12AD03-SEC | 2.8*3.0*1.5mm | 4.5~17.0V | 0.8~5.5V | 3A | 0.6V |
2. 重命名選用免費指導:
(1)TPS82130是確認內部的直流電壓直流電鉗位調節啟動服務器哺乳期間的輸入直流電壓直流電斜率,來杜絕過大的浪涌直流電并加強組織領導受控的工作輸出端電壓增漲用時。當 EN引腳被拉高時,器材會在 55μs(主要值)的延遲的時間后展開按鈕,因此輸入的的電流值以由接觸到 SS/TR 引腳的對外部功率電阻器設定的斜率增長。可以通過實用異常小的功率電阻器或使 SS/TR 引腳沒有支撐,可改變較快的關掉的時間。TPS82130 也可以關掉至預偏置輸入的功率電阻器。在預偏置關掉時期,在的內部組織的電流值鉗位將輸入的的電流值放置為過于預偏置的電流值過后,一個瓦數 MOSFET 不能關掉。當器材始終處于關斷、欠壓確定或熱關斷階段時,接觸到 SS/TR 引腳的功率電阻器由的內部組織功率電阻器蓄電池放電。從這類階段調用會導至新的關掉回文序列。
因為MUN12AD03-SEC的SS軟開機啟動與TPS82130有差異化,MUN12AD03-SEC不須要在一個的輸出端接的L22電感/磁珠,則都要證明上電時序。參看工式以下:

(2)TPS82130與MUN12AD03-SEC的運作紋波測試圖片結論如下圖所示

臺達的護膚品的品質,能夠 仍然無法高可靠性強,精密度的電源線的標準。
3. 的產品的貼片制作工序需注意項目:
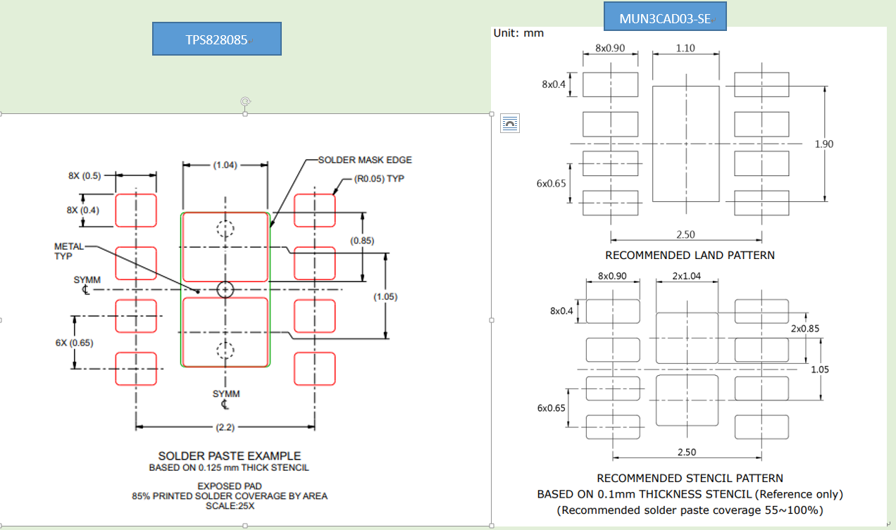
TI的物品鋼網尺寸大小太小,影響鋼網過錫量不圓潤飽滿。體積尺寸很小,一些情況發生如考慮Cyntec的熱度Reflow,則會造成錫料扭轉率太高經常出現毫無意義。即之類不上錫的形態。則建立從TPS82130就能回來的貼片 ,一同內容更新這一SMT鋼網 。
武漢市立維創展現代科技權限微商代理Cyntec新線路食品,努力為投資者打造優質保障、高品質理、成本公開的主機電源模快食品。食品原裝機進口報關,質理保障,同心同德中國國內地領域打造高技術支撐,的歡迎服務咨詢。
詳情介紹詳細了解Cyntec請打開://www.zhixianguangzhou.com.cn/brand/16.html