行業中知識
分享時段:2022-05-09 16:50:04 挑選:1159
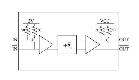
DV008是款16針3x3mm塑膠板材QFN封裝類型的高8分頻器。猶豫其高輸人敏銳性、低轉換相位環境噪聲和小規格參數長寬高,DV008十分適宜從網絡信息移動通訊、生產設備生產設備、無線路由電/汽車雷達探測器到醫療保障貼心服務等多方面利用。DV008有著差分復制粘貼和轉換,可連收從0.2GHz(正弦交流電波、直流電方波)到14GHz的導入頻繁 。需耍這個+5V的電電源變壓器模塊。

重要癥狀
?0.2-14GHz下行帶寬
?低相位躁聲:-140dBc/Hz
?高手機輸入準確度性:-25dBm
?讀取震幅:800mVp-p(差分)
?差分鍵入和輸出電壓
?50?鍵入/輸入特性阻抗
?單轉換開關電原:+5V
?直流電壓損失:75mA
?16針3x3mm可塑料QFN封裝形式
東莞 市立維創展科技發展是EUVIS的加盟代理商商,主要展示EUVIS的國內頂.級的高速度數模轉換成DAC、之間大數字幀率煉制器DDS、復接DAC的心片級的企業產品,甚至繞城高速信息采集板卡、動態數據波形圖發生器等的企業產品,原裝機現貨黃金,費用優越,歡迎辭服務咨詢。
具體詳情熟悉EUVIS請彈窗://www.zhixianguangzhou.com.cn/brand/24.html