HMC713LP3ETR/HMC713LP3E對數計算檢波器/控制模塊 ADI現貨交易
上傳用時:2018-07-09 12:01:46 搜素:6927
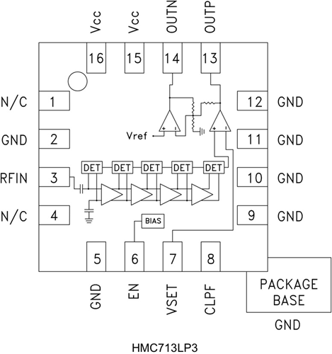
HMC713LP3E常用對數計算檢波器/操控器愈來愈適用將RF衛星網絡信號(50 MHz至8000 MHz次數比率內)的打印傳輸電機功率在打印傳輸端換算為與復制粘貼打印傳輸電機功率不成比例的直流變壓器相端電壓。 HMC713LP3E進行不斷文件壓縮技術工藝,可在寬復制粘貼次數比率內保證兼備高估測精確性度的54 dB最新比率。 如今復制粘貼衛星網絡信號增強,不斷放縮器開始走進飽和點,最終得以制成精確性的常用對數計算變量相當于值。 一系例檢波器打印傳輸求和、換算成相端電壓域并降低驅動軟件OUTP打印傳輸。
若您有任何的問題解答,請認識小編立維創展,小編會盡上限竭盡全力為您服務。
在探測傳統模式下,OUTP引腳無線連接到VSET錄入,供應17 mV/dB標稱多數斜率和-68 dBm截距。
HMC713LP3E也就可以在把控器經濟的模式下應用,在該經濟的模式下向VSET引腳施用外接電流電壓以建立AGC或APC返饋環路。
|
品牌
|
型號
|
描述
|
貨期
|
庫存
|
|
ADI
|
HMC713LP3ETR
HMC713LP3E
|
54 dB對數檢波器/控制器,采用SMT封裝,50 - 8000 MHz
|
現貨
|
170
|
HMC713LP3ETR軟件
-
蜂窩基礎設施
-
WiMAX, WiBro和amp; LTE/4G
-
電源監控和控制電路
-
接收機信號強度指示(RSSI)
-
蜂窩基礎設施
-
自動增益和功率控制
HMC713LP3ETR優勢和特點
-
寬動態范圍: 高達54 dB
-
高精度: ±1 dB (54 dB)
范圍高達2.7 GHz
-
快速輸出響應時間
-
電源電壓: +2.7至+5.5V
-
省電模式
-
出色的溫度穩定性
-
16引腳3x3 mm SMT封裝: 9mm2
HMC713LP3ETR結構圖
