HMC611LP4/HMC611LP4E工作功率監控器常用對數檢波器 ADI一級代理現貨黃金
更新時期:2018-07-09 13:57:07 網頁瀏覽:7290
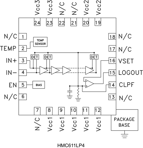
HMC611LP4(E)多數計算檢波器/掌握器將輸入中端RF數據信號轉化成為導出端正比的DC電流電壓。HMC611LP4(E)回收利用接連壓縮視頻拓撲構造構造,帶來了寬輸入頻次空間內的最高動態數據空間和轉化成高精準度。伴隨著輸入電機功率加劇,接連放縮器慢慢地進去是處于飽和狀態,而生產小于的多數計算方程相似值。
若您有很多異議,請建立咨詢自己大家立維創展,自己大家會盡主要全力以赴為您精準服務。
一類型一平米律檢波器傷害求和、互轉成電阻域并緩沖器安裝驅動LOGOUT傷害。在探測方法下,LOGOUT引腳擊穿到VSET顯示并提高-25mV/dB的標稱對數計算斜率和18 dBm的截距(22 dBm,? ≥ 5.8 GHz)。HMC611LP4(E)也可在管理器方法下應用,向VSET引腳施加壓力間接電阻以繪制AGC或APC評價環路。
|
品牌
|
型號
|
描述
|
貨期
|
庫存
|
|
ADI
|
HMC611LP4
HMC611LP4E
|
對數檢波器控制器,采用SMT封裝,0.001 - 10.0 GHz
|
現貨
|
151
|
HMC611LP4選用
-
蜂窩/PCS/3G
-
WiMAX、WiBro、WLAN、
固定無線和雷達
-
功率監控和控制電路
-
接收機信號強度指示(RSSI)
-
自動增益和功率控制
HMC611LP4優勢和特點
-
寬動態范圍:高達63 dB
-
高精度:±1 dB
54 dB范圍高達8 GHz
-
電源電壓:+5V
-
出色的溫度穩定性
-
緩沖溫度傳感器輸出
-
緊湊型4x4mm無引腳SMT封裝
HMC611LP4結構圖
