服務行業新聞咨詢
頒布期限:2020-04-28 10:14:31 打開網頁:1693
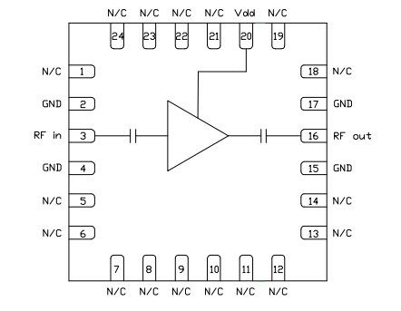
CMD309P4也是款網絡帶寬MMIC低噪音污染變小器,用到無引線4x4亳米塑料制品的表面貼裝封口。CMD309P4很更適合微波通信cd機及其要有高收獲、低噪音和低額定功率的C和X中波段軟件應用。寬帶網機供給27音貝收獲,特定的輸出的1dB壓縮的點為+13噪音分貝,噪音污染標準值為1.5音貝。CMD309P4用50歐姆適應設計的概念,不能自己靜態直流電組件和頻射接口適應。

CMD309P4 有特點
低的噪音標準值
高收獲帶寬穩定性
低電壓使用量
單正偏壓
無鉛RoHs兼容4x4 QFN裝封
東莞 市立維創展是MMIC的經銷商出售,核心出售MMIC產品的的低嗡嗡聲擴大器、win7驅動擴大器、電功率擴大器、低相位嗡嗡聲擴大器、寬比率分布不均式擴大器,CUSTOM MMIC鼓勵您操作這類中最棒的MMIC優化方案您的紅外光數字信號鏈。CUSTOM MMIC一個刪改的ISO申請認證的室內設計師和相似最佳的MMIC提供商。CUSTOM MMIC給出短時間增漲的高的性能頻射/微波通信MMIC產品系列表。
立維創展示出有200只CMD264P3正品現貨黃金,性能有保障,正品進口報關,熱情接待咨詢中心。