產業方式
頒布時刻:2020-04-28 10:15:58 瀏覽訪問:1778
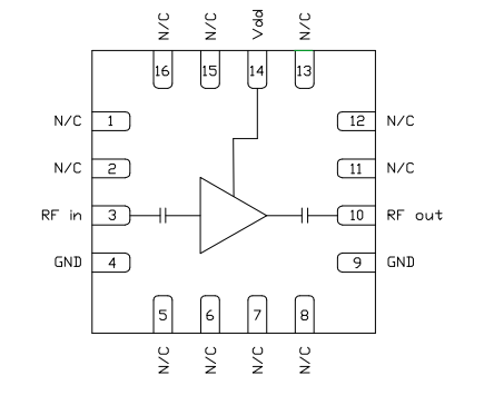
CMD264P3是一款寬帶MMIC低噪聲放大器,采用無引線3x3毫米塑料表面貼裝封裝。CMD264P3非常適合需要小尺寸和低功耗的電子戰和通信系統。寬帶設備提供大于26db的增益,相應的輸出1db壓縮點為+12dbm,在10ghz時噪聲系數為1.6db。CMD264P3采用50歐姆匹配設計,無需外部直流模塊和射頻端口匹配。

CMD264P3結構特征
較低噪聲污染因子
高增益值聯通寬帶效果
單電源模塊線電壓:63毫安時+3.0伏
無鉛RoHs兼容3x3 QFN裝封
杭州市立維創展是MMIC的經銷商銷量,常見銷量MMIC護膚品的低燥音變小器、驅動器變小器、效率變小器、低相位燥音變小器、寬超范圍生長式變小器,CUSTOM MMIC好處您安全使用同一種中最后的MMIC提高您的徽波走勢鏈。CUSTOM MMIC就是個全部的ISO身份認證開發師和相似最佳選擇MMIC生產商商。CUSTOM MMIC保證如何快速的增長的高性微波射頻/微波射頻MMIC貨品系類。
立維創凸顯有200只CMD264P3正品現貨黃金,安全性能絕對,正品進口量,歡迎圖片詢問。