HMC666LP4E/HMC666LP4ETR高動態信息范圍之內無源MMIC混頻器 ADI現貨黃金
推出事件:2018-07-05 10:48:57 網頁瀏覽:7374
HMC666LP4(E)是款高最新面積無源MMIC混頻器,集合LO拖動器,適用4x4 SMT QFN裝封,上班概率為3.1 - 3.9 GHz。 該集成電路芯片對應WiMAX和穩定wifi操作給予+31 dBm的表現出色發送IP3效能以做下交流變頻,LO驅使為0 dBm。 LO接口對應中端LO操作提升。
RF端口處的輸出1 dB減小為+23 dBm,可支撐寬區間輸出網絡信號電平。 轉化損耗量非常典型值一般選擇9 dB。 該配件的DC至800 MHz IF平率積極響應能無法WiMAX發或接受到平率歸劃必須。 立維創展HMC666LP4(E)與HMC688LP4(E)引腳兼容,后一個就是一款2.0 - 2.7 GHz混頻器,ibmsLO調大器。
|
品牌
|
型號
|
描述
|
貨期
|
庫存
|
|
ADI
|
HMC666LP4E
HMC666LP4ETR
|
集成LO放大器的SMT BiCMOS混頻器,3.1 - 3.9 GHz
|
現貨
|
235
|
應用
-
WiMAX/4G與固定無線
-
基礎設施與中繼器
-
發射機與接收機
-
測試和測量設備
HMC666LP4E優勢和特點
-
高輸入IP3: +31 dBm
-
低轉換損耗: 9 dB
-
低LO驅動: 0 dBm
-
上變頻與下變頻應用
-
針對低端LO輸入優化
-
24引腳、4x4mm SMT封裝: 16mm2
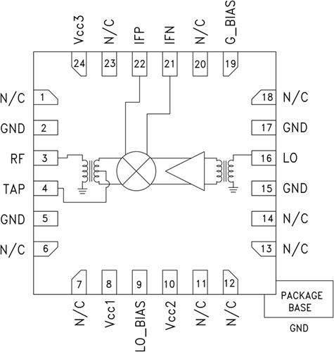
HMC666LP4E結構圖
