行業中新聞資訊
公布日期:2018-07-05 10:57:04 看:2474
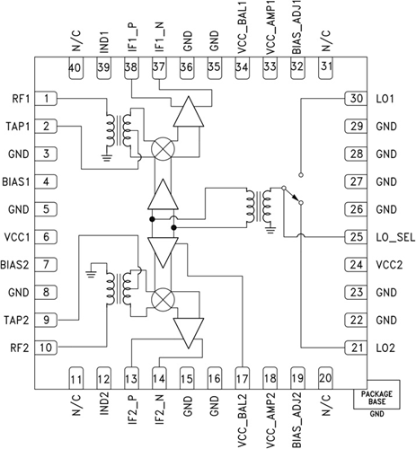
HMC682LP6C(E)是一款高線性度、雙通道下變頻器,集成LO放大器,采用6x6 SMT QFN封裝,工作頻率為1.7 - 2.2 GHz。 該器件針對3G和4G GSM/CDMA應用提供+25 dBm的出色輸入IP3性能以進行下變頻,LO驅動為0 dBm。立維創展 HMC682LP6C(E)RF端口的輸入1 dB壓縮為+15 dBm,可支持寬范圍輸入信號電平。 轉換增益典型值為6 dB。 60 - 400 MHz IF頻率響應滿足各種GSM/CDMA接收頻率規劃要求。
| 品牌 | 型號 | 描述 | 貨期 | 庫存 |
| ADI |
HMC682LP6CE HMC682LP6CETR |
高IP3雙通道下變頻器,采用SMT封裝,集成LO開關 ,1.7 - 2.2 GHz |
現貨 | 258 |
HMC682LP6CE使用
HMC682LP6CE優勢和特點
