產業新聞資訊
頒布時長:2018-07-05 10:41:08 觀看:2529
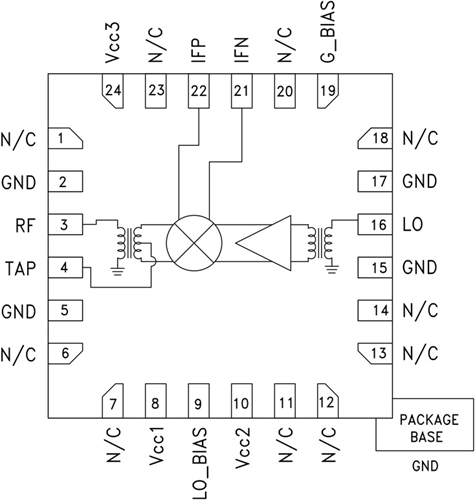
HMC786LP4E是一款集成LO放大器的高動態范圍無源MMIC混頻器,采用4x4 SMT QFN封裝,工作頻率范圍為0.7至1.1 GHz。 LO驅動為0 dBm時,3G和4G GSM/CDMA應用具有+40 dBm的出色輸入IP3下變頻性能。 采用1dB (+25 dBm)輸入壓縮時,RF端口支持各種輸入信號電平。 轉換損耗為7.5 dB(典型值)。 高達250 MHz的IF頻率響應可滿足GSM/CDMA發射或接收頻率計劃要求。 立維創展HMC786LP4E針對0.7 - 1.1 GHz RF頻段高端LO頻率計劃進行了優化,并與HMC686LP4E引腳兼容。
| 品牌 | 型號 | 描述 | 貨期 | 庫存 |
| ADI |
HMC786LP4E HMC786LP4ETR |
集成LO放大器的BiCMOS混頻器,0.7 - 1.1 GHz | 現貨 | 105 |
HMC786LP4E應用
HMC786LP4E優勢和特點
