HMC634LC4/HMC634LC4TR驅動安裝拖動器衛浴陶瓷表貼封裝 ADI現貨黃金
發布了準確時間:2018-06-29 11:34:17 搜索:1990
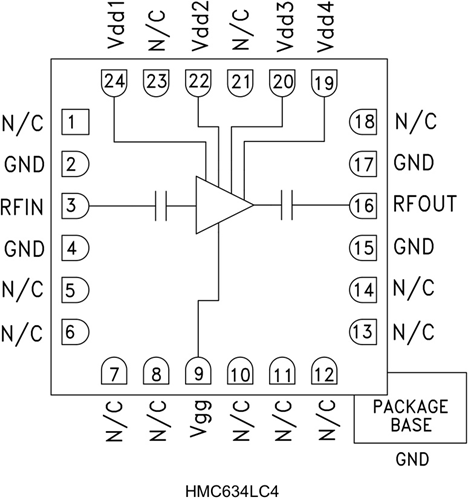
HMC634LC4就是一款GaAs PHEMT MMICwin7驅動下載變小器,選用無鉛4x4 mm陶瓷廠家表貼封裝形式,任務頻繁 的空間為5至20 GHz。 該變小器保證高達mg21 dB的收獲、+29 dBm輸出IP3及+22 dBm的輸出事業額定電壓(1 dB收獲縮減時),事業頻次為180 mA(+5V電原)。 HMC634LC4win7驅動下載變小器無比適合任務頻繁 的空間為5至20 GHz的微波加熱無線wifi電軟件,額定電壓可偏置為+5V (130 mA)以保證較低收獲并增強PAE。 隔直變小器I/O搭配50 Ω,不用辦理外界搭配pcb板。
|
品牌
|
型號
|
描述
|
貨期
|
庫存
|
|
ADI
|
HMC634LC4
HMC634LC4TR
|
驅動放大器,采用SMT封裝,5 - 20 GHz
|
現貨
|
251
|
app
-
點對點無線電
-
點對多點無線電和VSAT
-
混頻器LO驅動器
HMC634LC4優勢和特點
-
增益: 21 dB
-
P1dB: +22 dBm
-
飽和功率:
+23 dBm (17% PAE)
-
單電源電壓: +5V (180 mA)
-
50 Ω匹配輸入/輸出
-
24引腳4x4mm
SMT陶瓷封裝: 16mm2
HMC634LC4結構圖
