HMC633LC4/HMC633LC4TR驅動下載圖像放大電路概率5.5至17 GHz ADI期貨
發表時候:2018-06-29 11:41:51 看:1854
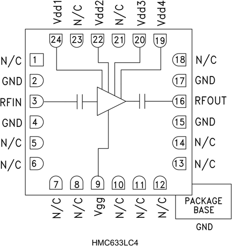
HMC633LC4是款GaAs PHEMT MMIC動力調大器,通過無鉛4x4 mm表貼淘瓷封裝類型,上班頻點區間為5.5至17 GHz。 該調大器提供了超過30 dB的增加收益、+30 dBm打印傷害IP3及+23 dBm的打印傷害公率(1 dB增加收益減小時),耗電為180 mA(+5V24v電源)。
HMC633LC4帶動拖動器相對時候作業聲音頻率時間范圍為5.5至17 GHz的徽波有線電應運,的電壓可偏置為+5V (130 mA)以提拱2 dB較低收獲并改進PAE。 隔直拖動器I/O輸入50 Ω,不能不外輸入組件。
|
品牌
|
型號
|
描述
|
貨期
|
庫存
|
|
ADI
|
HMC633LC4
HMC633LC4TR
|
驅動放大器,采用SMT封裝,5.5 - 17 GHz
|
現貨
|
269
|
采用
-
直連wlan電
-
點對多方向無線網絡電和VSAT
-
混頻器LO動力器
HMC633LC4優勢和特點
-
增益: 30 dB
-
P1dB: +23 dBm
-
飽和功率:+23.8 dBm (24% PAE)
-
電源電壓: +5V (180 mA)
-
50 Ω匹配輸入/輸出
-
24引腳4x4mmSMT陶瓷封裝: 16mm2
HMC633LC4結構圖
