該行業咨詢
公布的用時:2019-12-24 13:59:45 訪問 :1837
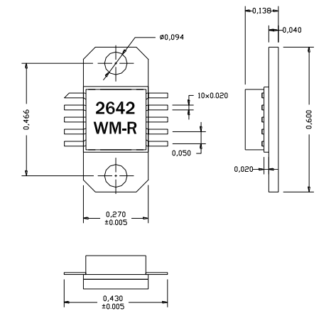
AM264240WM-EM-R是AMCOM的砷化鎵HiFET MMIC功率放大器系列的一部分。這是兩個階段GaAs-HIFET-PHEMT-MMIC功率放大器。AM264240WM-EM-R在輸入和輸出端都與50歐姆完全匹配,覆蓋2.6歐姆至4.2GHz。它有20dB的增益和40dBm的14V輸出功率射頻和直流引線位于封裝的較低層,以便于將低成本的SMT組裝到PC板上。因為直流電功率大散熱,我們強烈建議將這些設備直接安裝在金屬散熱片上。AM264240WMFM-R是安裝在鍍金銅法蘭托架上的AM264240WM-BM-R。EM包有相同的封裝外形為FM封裝,采用直引線和銅/鎢法蘭代替銅法蘭是法蘭上的兩個螺孔,便于擰到金屬散熱器上。這個MMIC是符合RoHS的。

AM264240WM-EM-R采用
PCS淺淺蜂窩移動通信基站
GPS采用
WiMAX
WLL
10V–15V應該用
AM264240WM-EM-R非常重要參數指標
頻繁 :2.6-4.2GHz
增加收益:20
P1dB(DBM):39
PSAT(DBM):40
利用率:35
VD(V):14
杭州市立維創展科技公司是AMCOM子公司代理商費,其大部分徽波移動寬帶車輛包涵頻射納米線管、MMIC最大工作功率擴大器、混和擴大器引擎、聯通寬帶擴大器、高最大工作功率擴大器引擎、帶RF和DC拼接器的高工率變成器控制模塊和低噪音污染變成器,工率變成器,開關按鈕,衰減器,移相器已經上/下部伺服器的開發。