服務業快訊
發布公告時間:2019-12-24 14:09:04 搜素:1876
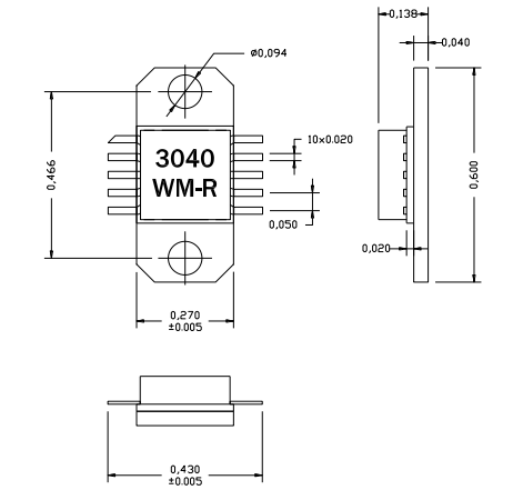
AM304031WM-EM-R是AMCOM的砷化鎵MMIC功率放大器系列的一部分。它有31分貝的增益和31在2.6到4.8GHz頻帶上的dBm飽和輸出功率。這個MMIC是一個陶瓷封裝,射頻和直流都有在較低層次的封裝,以促進低成本的SMT組裝到PC板。由于高直流功耗,我們建議將這些設備直接安裝在金屬散熱器上。AM304031WM-FM-R是AM304031WM-BM-R安裝在鍍金銅法蘭托架上。法蘭上有兩個螺孔便于擰上金屬散熱器。AM304031WM-EM-R有一個CuW法蘭,是正在逐步淘汰的AM304031WM-FM-R。這個MMIC是符合RoHS的。

AM304031WM-EM-R選用
移動車連網接通
無線路由網上環路
網絡帶寬手機無線聯網(BWA)
AM304031WM-EM-R必要性能參數
規律:2.6-4.6GHz
收獲:31
P1dB(DBM):32
PSAT(DBM):32.5
錯誤率:25
VD(V):8
廣州市立維創展科技開發是AMCOM集團總加盟代理,其其主要微波通信帶寬服務涵蓋微波射頻納米線管、MMIC耗油率變小器、混變小器控制包塊、帶寬變小器、高耗油率變小器控制包塊、帶RF和DC相連器的高最大電機功率縮放器信息模塊和低噪音風機污染縮放器,最大電機功率縮放器,開關按鈕,衰減器,移相器已經上/下面直流變頻調速器的自定義。