產業資訊新聞
上線周期:2019-12-23 14:35:39 預覽:2181
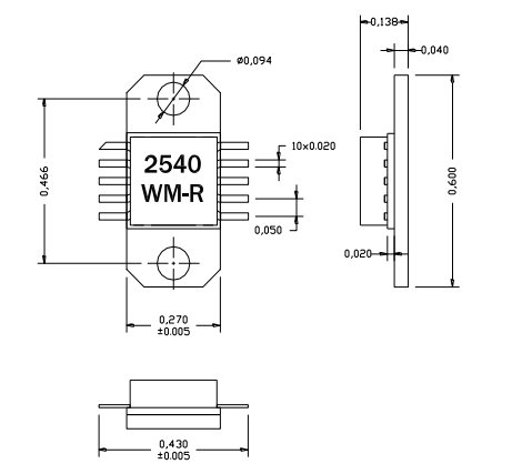
AM254038WM-EM-R是AMCOM的砷化鎵HiFET MMIC功率放大器系列的一部分。這是兩個階段GaAs-HIFET-PHEMT-MMIC功率放大器。它與50歐姆的輸入和輸出完全匹配,覆蓋2.4到4.4赫茲。該MMIC具有18dB的增益和38dBm的12V輸出功率射頻和直流引線位于封裝的較低層,以便于將低成本的SMT組裝到PC板上。因為直流電功率大散熱,我們強烈建議將這些設備直接安裝在金屬散熱片上。AM254038WM-FM-R型AM254038WM-BM-R是否安裝在鍍金銅法蘭托架上。EM包有相同的封裝為FM封裝,采用直引線和銅/鎢法蘭代替銅法蘭。在那里是法蘭上的兩個螺孔,便于擰到金屬散熱器上。這個MMIC是符合RoHS的。

AM254038WM-EM-R用
PCS信號塔
GPS采用
MMDS
手機無線無線局域網中繼器
10V–13V利用
AM254038WM-EM-R關鍵性性能參數
工作頻率:2.5-4GHz
增加收益:18
P1dB(DBM):38
PSAT(DBM):39
高效率:30
VD(V):12
成都市立維創展科枝是AMCOM平臺總一級代理,其常見微波通信帶寬產品設備涉及到微波射頻晶狀體管、MMIC工作效率變成器、混雜變成器接口、寬帶網絡變成器、高工作效率變成器接口、帶RF和DC聯系器的高工作工率增加器模塊電源和低噪音源增加器,工作工率增加器,按鈕開關,衰減器,移相器包括上/接下來直流變頻空調器的定做。