行業內方式
分享時長:2019-12-18 14:27:00 搜素:1886
HMC413是ADI的一種頻率范圍為1.6~2.2ghz的高率異質結雙極氯化鈉晶體管MMIC電功率放小器。節省成本投入,外層貼裝16針封口,裸基座,挺高rf射頻和溫性能。它采用比較少的表面器件來帶來23db的增加收益,飽和狀態工作效率為29.5dbm(42%PAE),電源適配器的電壓為5v。變大器還能否與3.6V電同吃任務。VPD也可以于節電模式切換或頻射轉換工作電壓工作電流操縱。
HMC413的采用包涵:蜂窩PCS3G、攜便式式機和前提公用設施、wifi當地環路等。
HMC413更重要叁數:
率:1.6G - 2.2G
收獲:22
OIP3:40

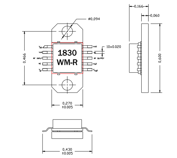
AM183030WM-EM-R是amcom的GaAs-MMIC工率增加器。該增加器在1.6~3.3ghz頻段內,增加收益為30.5db,讀取熱效率為30.5dbm。為有助于成本更低預算SMT拆卸到PC板上,本發現是屬于的低層芯片封裝類型中頻射和交流電引線的瓷器芯片封裝類型。可能交流電耗電高,最好是將以下專用設備直接性按裝在黑色金屬,散熱處理器上。
AM183030WM-EM-R的操作鄰域屬于:手機移動聯網、手機移動原生環路和MMDS
AM183030WM-EM-R極為重要基本參數
率:1.6-3.3GHz
增益值:30.5
P1dB(DBM):30.5
PSAT(DBM):31.5
使用率:20
VD(V):8
AM183030WM-EM-R放縮器與HMC413拖動器的頻繁和使用方向說出,這新老款拖動器是可共同配用的,然而在價格上卻相差太大諸多,AM183030WM-EM-R變小器極富售價特色,質量效率可信,北京市立維創展社會是AMCOM與ADI裝修公司的批發商供應商商,打造AMCOM與ADI的微波射頻元器材和集成電路芯片,歡迎辭網絡咨詢。