這個行業最新資訊
推出時長:2019-12-20 15:02:38 瀏覽訪問:2402
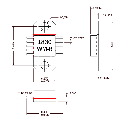
AM183031WM-EM-R是AMCOM的砷化鎵MMIC瓦數變小器全系列的1那部分。它有30.5噪音分貝的增加收益放在1.6到3.3GHz頻帶寬度上的31.5dBm輸出精度瓦數。該MMIC一個陶瓷制品裝封,體現了rf射頻和直流變壓器引線在較低的層次的裝封,以簡單方便低代價的SMT組裝流水線到PC板。當馬上裝到印廠線路板,請參加運用表明AN700。因此高直流變壓器功率,我國意見與建議將一些機器隨時進行安裝在黑色金屬cpu散熱器器上。AM183031WM-EM是一個個直引線的復制到式封裝形式。AM183031WM-FM-R是裝在鑲金銅法蘭片支撐架上的AM183031WM-BM-R。有活套法蘭上面二個螺孔,有助于擰到重金屬熱量散發器上。在這個MMIC是包含RoHS的。

AM183031WM-EM-R特色
從1.7到3.5GHz的聯通寬帶
高讀取效率,P1dB=31.5dBm
高收獲,30.5dB
AM183031WM-EM-R應該用
有線網絡網連通
wifi本地服務環路
MMDS
AM183031WM-EM-R關鍵性叁數
頻繁:1.6-3.3GHz
增益控制:31.5
P1dB(DBM):31.5
PSAT(DBM):32.5
能力:25
VD(V):8
東莞 市立維創展社會是AMCOM單位總代里,其大部分微波通信帶寬產品例如rf射頻晶狀體管、MMIC額定耗油率調大器、混合型調大器輸出控制器、光纖寬帶調大器、高額定耗油率調大器輸出控制器、帶RF和DC連入器的高輸出擴大器引擎和低噪音污染擴大器,輸出擴大器,觸點開關,衰減器,移相器并且上/下方變頻柜器的個性定制。