HMC-APH403/HMC-APH403-SX三級MMIC中上工作效率拖動器 ADI現貨平臺
發布的的時間:2018-06-27 17:15:29 查看:7031
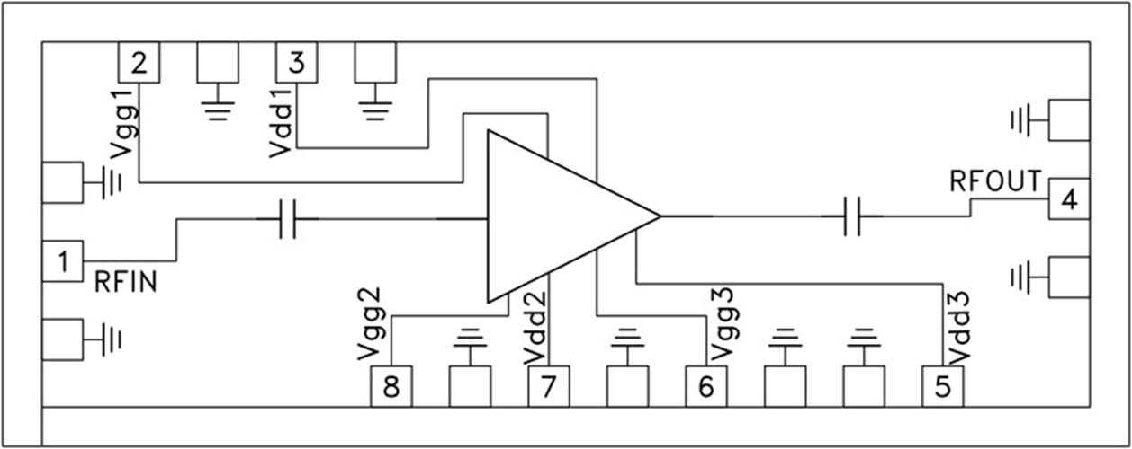
HMC-APH403是款兩級GaAs HEMT MMIC中等水平電機電功率放縮器,運作頻次區域為37至45 GHz。 HMC-APH403具備21 dB增益值,選取+5V外接電源端電壓時具+23 dBm工作輸出電機電功率(1 dB減少)。 所有焊盤和集成電路芯片正背都通過Ti/Au黑色金屬化,放縮器已根本鈍化以進行安全進行。
HMC-APH403 GaAs HEMT MMIC高的英語功效拖動器兼容傳統性的單片機IC芯片貼裝的方法,和熱壓解和熱超聲心動圖線焊接工藝藝,無比適用MCM和比調微線路運用。 前方展現的其他數據庫均是單片機IC芯片在50 Ω自然環境下用到RF感應器交往測是。
|
品牌
|
型號
|
描述
|
貨期
|
庫存
|
|
ADI
|
HMC-APH403
HMC-APH403-SX
|
中等功率放大器芯片,37 - 45 GHz
|
現貨
|
226
|
技術應用
HMC-APH403優勢和特點
-
輸出IP3: +32 dBm
-
P1dB: +23 dBm
-
增益: 21 dB
-
電源電壓: +5V
-
50 Ω匹配輸入/輸出
-
裸片尺寸: 2.76 x 1.03 x 0.1 mm
HMC-APH403結構圖
