服務業房產資訊
發布信息時:2018-06-27 17:23:18 打開網頁:7416
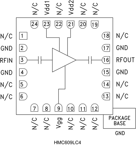
HMC609LC4就是款GaAs PHEMT MMIC低躁音調小器(LNA),作業平率空間為2至4 GHz。 HMC609LC4在一個作業頻段內有著出彩的AA性形態,分為20 dB小移動信號增加收益、3.5 dB躁音因子和+36.5 dBm輸出的IP3。 50 Ω適應調小器不能不其他外適應pcb板。 HMC609LC4可讓用高數量表貼研發技術設備,且RF I/O經過了隔直以進三步更加方便整合。
品牌
型號
描述
貨期
庫存
ADI
HMC609LC4
HMC609LC4TR
低噪聲放大器,采用SMT封裝,2 - 4 GHz
現貨
203
HMC609LC4應用
HMC609LC4優勢和特點
HMC609LC4結構圖
