HMC-ABH209/HMC-ABH209-SX額定功率放縮器頻次位置為55至65 GHz ADI外盤
上架時刻:2018-06-27 11:54:09 查看:2743
THMC-ABH209就是款高日常動態依據、兩極GaAs HEMT MMIC中級耗油率增加器,事情速度依據為55至65 GHz。 HMCABH209帶來13 dB增益值,采取+5V電源線電流時含有+16 dBm輸出電壓耗油率(1dB降低)。 大部分焊盤和IC芯片正背都要經過Ti/Au金屬材質化,增加器已仍然鈍化以保持可信度操作方法。
HMC-ABH209 GaAs HEMT MMIC中低檔工率變大器兼容傳統文化的處理器貼裝原則,各種熱再壓縮和熱超聲清洗線焊接藝,如此可以MCM和混合型喂養微電源電路操作。 這里凸顯的因此數劇均是處理器在50 Ω環境下安全使用RF溫度探頭觸及測是。
THMC-ABH209應用
THMC-ABH209優勢和特點
-
輸出IP3: +25 dBm
-
P1dB: +16 dBm
-
增益: 13 dB
-
電源電壓: +5V
-
50 Ω匹配輸入/輸出
-
裸片尺寸: 2.2 x 1.22 x 0.1 mm
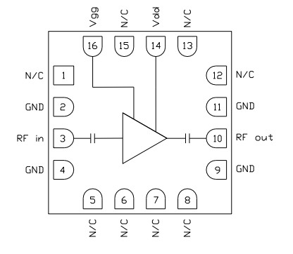
THMC-ABH209結構圖
