HMC442LM1/HMC442LM1TR電功率放縮器 ADI期貨
上線時刻:2018-06-27 16:42:54 查詢:1958
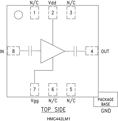
HMC442LM1有的是款帶寬17.5至24 GHz GaAs PHEMT MMIC中等水平電機額定功率變大器,適用SMT無引腳ICIC芯片形式封裝。 LM1適用真正意義的表貼帶寬厘米波封裝,具備低自然損耗和優異的I/O切換,并控制MMICICIC芯片能力。 該變大器具備14 dB增益值,供大于求電機額定功率為+23 dBm(27% PAE時),外接電源電流電壓為+5V。
50 Ω適應調大器在RF進入和效果端上ibms隔直,比較滿足當作線形增益值usb接口、導彈發射鏈推動軟件器或HMC SMT混頻器LO推動軟件器。 作單片機芯片和普通電線混和控件的帶替配件,HMC442LM1不用辦理線焊,導致為客展示 不一的usb接口。
|
品牌
|
型號
|
描述
|
貨期
|
庫存
|
|
ADI
|
HMC442LM1
HMC442LM1TR
|
中等功率放大器,采用SMT封裝,17.5 - 24.0 GHz
|
現貨
|
212
|
HMC442LM1應用
HMC442LM1優勢和特點
-
飽和功率: +23 dBm (27% PAE)
-
增益: 14 dB
-
電源電壓: +5V
-
50 Ω匹配輸入/輸出
HMC442LM1結構圖
