HMC-AUH320/HMC-AUH320-SX4個等級中高耗油率圖像功率放大器 ADI現貨黃金
公布的時間:2018-06-27 11:44:10 觀看:2725
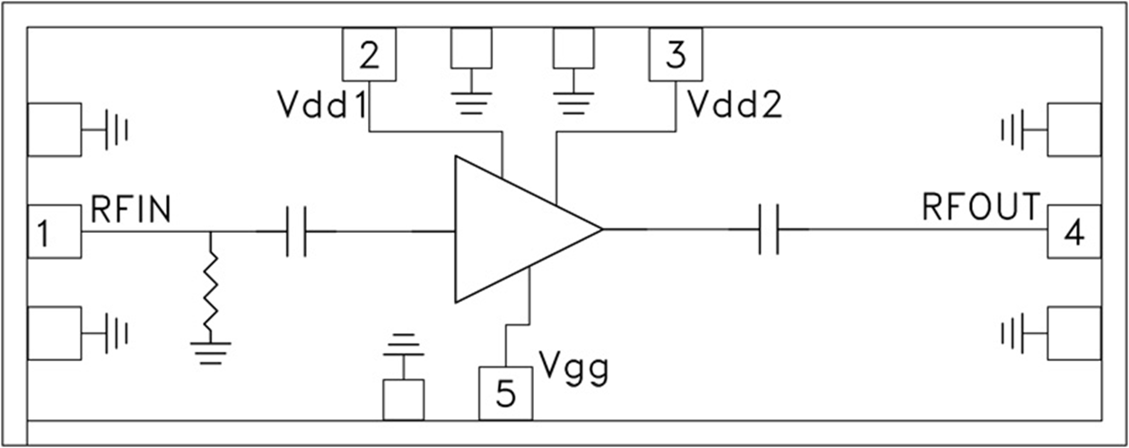
HMC-AUH320有的是款高動圖領域的四個維度GaAs HEMT MMIC中級的工作效率增加器,在71至86 GHz的速度下的工作。 HMC-AUH320在74 GHz速度下具備16 dB的增益控制,在1 dB縮小點具備+15 dBm的輸入輸出的工作效率,選擇+4V外接電源輸出功率。 任何焊盤和存儲芯片背部都過程Ti/Au金屬件化,增加器電子元器件已完完全全鈍化以做到靠普基本操作。
HMC-AUH320 GaAs HEMT MMIC中低耗油率拖動器可兼容基本的電源集成塊貼裝的方式,以其熱縮小和熱多普勒彩超線焊,更加十分適合MCM和混合著微電路系統應運。 此地凸顯的很多數劇均是電源集成塊在50 Ohm學習環境下使用的RF紅外探頭觸碰測定。
|
品牌
|
型號
|
描述
|
貨期
|
庫存
|
|
ADI
|
HMC-AUH320
HMC-AUH320-SX
|
中等功率放大器芯片,71 - 86 GHz
|
現貨
|
233
|
HMC-AUH320應用
-
短程/高容量鏈路
-
無線LAN網橋
-
汽車雷達
-
軍事和太空
-
E波段通信系統
HMC-AUH320優勢和特點
-
增益: 16 dB (76 GHz)
-
P1dB: +15 dBm
-
電源電壓: +4V
-
50 Ω匹配輸入/輸出
-
裸片尺寸:
2.20 x 0.87 x 0.1 mm
HMC-AUH320結構圖
