HMC-APH196/HMC-APH196-SX有級中檔輸出功率擴大器 ADI期貨
發部準確時間:2018-06-26 16:40:28 查看:2207
HMC-APH196是款多級GaAs HEMT MMIC中等水平輸入增加器,運作概率規模為17至30 GHz。 HMC-APH196在20 GHz下提供了20 dB增益控制,進行+4.5V電原電壓電流時擁有+22 dBm輸入輸入(1 dB降低)。 大部分焊盤和IC芯片正反面都進行Ti/Au黑色金屬化,增加器已幾乎鈍化以滿足正規作業。
HMC-APH196 GaAs HEMT MMIC中低輸出功率拖動器兼容傳統型的單片機集成電路芯片貼裝的方式,并且熱壓縮的和熱超聲波線焊接工藝藝,更加適于MCM和混合法微電線應運。 這兒顯視的大多數數劇均是單片機集成電路芯片在50 Ω區域下運用RF感應器玩測出。
|
品牌
|
型號
|
描述
|
貨期
|
庫存
|
|
ADI
|
HMC-APH196
HMC-APH196-SX
|
中等功率放大器芯片,17 - 30 GHz
|
現貨
|
249
|
HMC-APH196應用
HMC-APH196優勢和特點
-
輸出IP3: +31 dBm
-
P1dB: +22 dBm
-
增益: 20 dB (20 GHz)
-
電源電壓: +4.5V
-
50 Ω匹配輸入/輸出
-
裸片尺寸: 3.3 x 1.95 x 0.1 mm
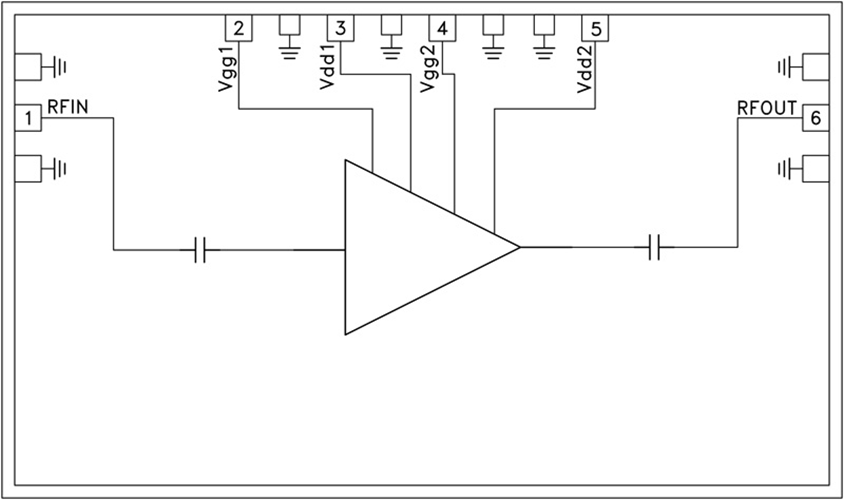
HMC-APH196結構圖
