HMC-ABH241/HMC-ABH241-SX4級GaAs HEMT MMIC中低檔額定功率擴大器 ADI現貨交易
披露日期:2018-06-26 16:30:49 手機瀏覽:2435
THMC-ABH241是款四個維度GaAs HEMT MMIC適中轉換工作電壓增加器,辦公幾率依據為50至66 GHz。 HMC-ABH241提供了24 dB增加收益,運用+5V外接電源工作電壓時極具+17 dBm轉換轉換工作電壓(1dB文件壓縮)。 任何焊盤和心片反面都經Ti/Au金屬質化,增加器已已經鈍化以實現目標準確使用。
HMC-ABH241 GaAs HEMT MMIC中高耗油率放小器兼容傳統化的基帶集成塊貼裝形式,包括熱解壓縮和熱高周波線焊接工藝藝,極其可以MCM和混雜微控制電路應用。 在此提示 的其它動態數據均是基帶集成塊在50 Ω生態環境下操作RF溫度探頭使用得出。
|
品牌
|
型號
|
描述
|
貨期
|
庫存
|
|
ADI
|
HMC-ABH241
HMC-ABH241-SX
|
中等功率放大器芯片,50 - 66 GHz
|
現貨
|
249
|
THMC-ABH241應用
THMC-ABH241優勢和特點
-
輸出IP3: +25 dBm
-
P1dB: +17 dBm
-
增益: 24 dB
-
電源電壓: +5V
-
50 Ω匹配輸入/輸出
-
裸片尺寸: 3.2 x 1.42 x 0.1 mm
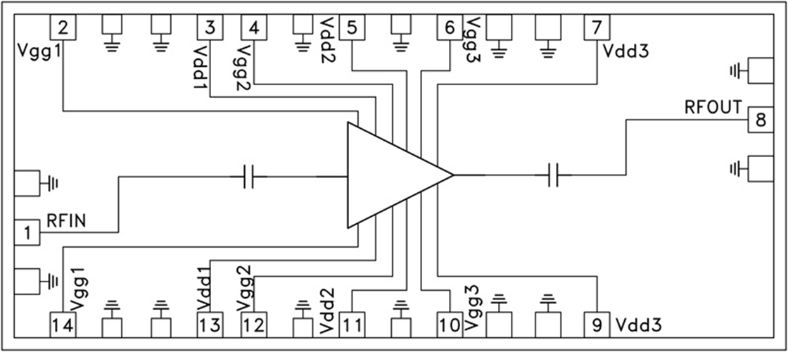
THMC-ABH241結構圖
