HMC608LC4/HMC608LC4TR/HMC608LC4TR-R5中檔工作效率放小器 ADI期貨
發布消息用時:2018-06-26 16:19:23 訪問 :2462
HMC608LC4是款高動態圖條件GaAs pHEMT MMIC中等水平馬力變大器,主要包括無引腳“無鉛”SMT封裝。該變大器出具四種任務的傳統的策略:高增加收益傳統的策略(Vpd引腳短接至地);和低增加收益傳統的策略(Vpd引腳始終維持短路)。下表出現了在高增加收益傳統的策略下任務的的變大器的機械規格為。該變大器享有9.5至11.5 GHz的任務的條件,出具29.5 dB增加收益、+27.5 dBm是處于飽和狀態馬力和23% PAE(+5V電源適配器電流電壓)。燥聲指數為6 dB,而輸出精度IP3為+33 dBm。隔直RF I/O自動匹配至50 Ω,施用簡單方便。HMC608LC4沒有線焊,也可以施用表貼制造廠技木。
|
品牌
|
型號
|
描述
|
貨期
|
庫存
|
|
ADI
|
HMC608LC4,HMC608LC4TR,HMC608LC4TR-R5
|
中等功率放大器,采用SMT封裝,9.5 - 11.5 GHz
|
現貨
|
237
|
HMC608LC4應用
HMC608LC4優勢和特點
-
輸出IP3:+33 dBm
-
飽和功率:+27.5 dBm (23% PAE)
-
增益:29.5 dB
-
電源:+5V(310 mA時)
-
50 Ω匹配輸入/輸出
-
符合RoHS標準的4x4 mm SMT封裝
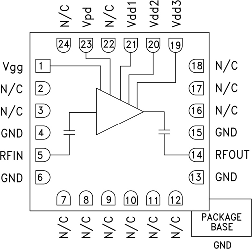
HMC608LC4結構圖
