HMC-APH634多級GaAs HEMT MMIC中低工率圖像功率放大器 ADI現貨黃金
發布公告準確時間:2018-06-26 15:32:54 手機瀏覽:7012
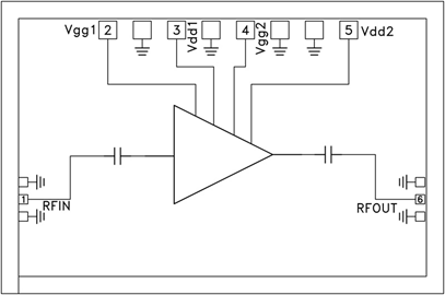
HMC-APH634就是款二級GaAs HEMT MMIC高的英語本職工作電壓圖像電壓調小器,本職工作頻帶寬度位置為81至86 GHz。 HMC-APH634打造12 dB收獲,進行+4V電源開關時具+20 dBm輸出精度本職工作電壓(1 dB進行降低)。 全部的焊盤和處理器反面都路經Ti/Au合金金屬化。 HMC-APH634 GaAs HEMT MMIC高的英語本職工作電壓圖像電壓調小器兼容中國傳統的處理器貼裝方案,及熱進行降低和熱超聲波線焊接工藝藝,相當時候MCM和混合法微電路系統用。 此地表示的全部的數據報告均是處理器在50 Ω工作環境下利用RF攝像頭排斥測出。
|
品牌
|
型號
|
描述
|
貨期
|
庫存
|
|
ADI
|
HMC-APH634
|
中等功率放大器芯片,81 - 86 GHz
|
現貨
|
198
|
運用
HMC-APH634優勢和特點
-
高增益: 12 dB
-
高P1dB: +19 dBm
-
電源電壓: +4V
-
50 Ω匹配輸入/輸出
-
裸片尺寸:
2.57 x 1.70 x 0.05 mm
HMC-APH634結構圖
