HMC-AUH249/HMC-AUH249-SX分布圖式驅程調大器裸片 ADI現貨交易
正式發布的時間:2018-06-26 15:41:03 觀看:2330
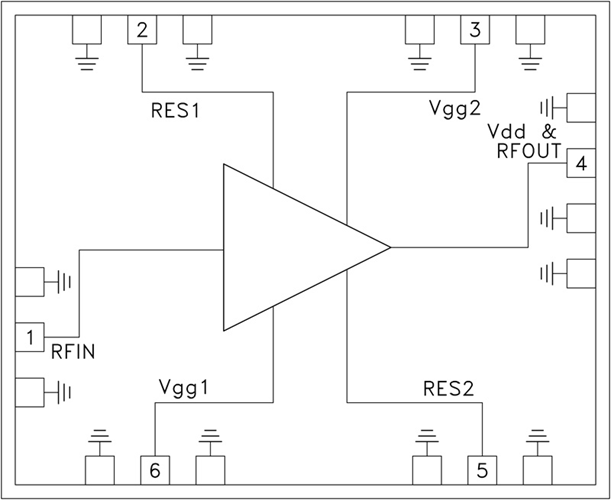
HMC-AUH249有的是款GaAs MMIC HEMT布局式驅程圖像最大功率變大器裸片,在DC至43 GHz的聲音頻率下本職工作,關鍵3 dB傳輸速率為35 GHz。 該圖像最大功率變大器打造15 dB增益值,趨于穩定讀取最大功率為+23 dBm,也進行+5V電壓降電源適配器顯卡功耗僅200 mA。
HMC-AUH249擁有不錯的收獲,相位紋波超出范圍25 GHz,才可以輸入輸入不超8V的峰峰峰值,因其更加適宜寬帶網絡wifi、光纖寬帶光通信和測試機器用途。 該變小器裸片占平數匱乏4 mm2,盡可能使更好集合到多存儲芯片電源開關模塊(MCM)中。 就功率電源開關線,HMC-AUH249必須偏置器和片外隔直開關元件及旁路電解電容。 Vgg1可以調整節電子元器件的偏置功率,Vgg2則可以調節輸入輸入收獲。
|
品牌
|
型號
|
描述
|
貨期
|
庫存
|
|
ADI
|
HMC-AUH249
HMC-AUH249-SX
|
調制器驅動放大器芯片,DC - 35 GHz
|
現貨
|
156
|
HMC-AUH249應用
-
光纖調制器驅動器
-
適用于測試和測量設備的增益模塊
-
點對點和點對多點無線電
-
寬帶通信和監控系統
-
雷達警報系統
HMC-AUH249優勢和特點
-
小信號增益: 15 dB
-
輸出電壓: 最高8V pk-pk
-
Psat輸出功率: +23 dBm
-
高速性能: 大于35 GHz的3 dB帶寬
-
電源電壓:
+5V (200 mA)
-
S小尺寸裸片:
2.2 x 1.80 x 0.1 mm
HMC-AUH249結構圖
