HMC455LP3ETR/HMC455LP3E高工作輸出縮放器 ADI外盤POS機加盟商
上架周期:2018-06-26 11:56:52 瀏覽網頁:2386
HMC455LP3(E)都是款高輸入的IP3 GaAs InGaP異質結雙化學性質尖晶石管(HBT)、1?2瓦特MMIC縮放器,在1.7至2.5 GHz的聲音頻率下事情。 該縮放器僅運用最長需求量的外接構件,帶來了13 dB的增益控制,在PAE為56%時帶來了+28 dBm的過剩功效,運用單獨一個+5 Vdc電阻值電。 因具備+42 dBm的高輸入IP3,再根據1.4:1的低VSWR,從而HMC455LP3(E)成為了可以PCS/3G有線依據公共設施的抱負win7驅動縮放器。 這件平滑縮放器選擇低費用的無引腳3x3 mm QFN面貼裝芯片封裝(LP3)。 LP3帶來了裸漏基極以推動精湛的RF和水冷散熱能力。
|
品牌
|
型號
|
描述
|
貨期
|
庫存
|
|
ADI
|
HMC455LP3ETR
HMC455LP3E
|
?瓦特高IP3放大器,采用SMT封裝,1.7 - 2.5 GHz
|
現貨
|
269
|
HMC455LP3應用
-
多載波系統
-
GSM、GPRS和EDGE
-
CDMA和WCDMA
HMC455LP3優勢和特點
-
輸出IP3: +42 dBm
-
增益: 13 dB
-
PAE為56%(Pout為+28 dBm時)
-
+19 dBm的W-CDMA通道功率(ACP為-45 dBc時)
-
3x3 mm QFN SMT封裝
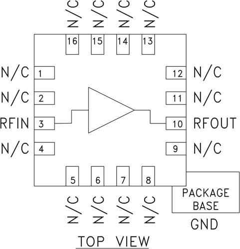
HMC455LP3結構圖
