HMC408LP3E/HMC408LP3ETR高質量率額定功率放小器5.1 - 5.9 GHz ADI外盤
發布消息時長:2018-06-26 13:39:38 挑選:7338
HMC408LP3(E)有的是款5.1 - 5.9 GHz高熱效率的率GaAs InGaP異質結雙正負尖晶石管(HBT)電率縮放器MMIC,展示 +30 dBm P1dB。 該縮放器展示 20 dB增益值,飽和點電率為+32.5 dBm,電源模塊額定電壓為+5V (27% PAE)。 讀取內部人員切換至50 Ohms,輸送需非常少的外部結構電子器件。 Vpd要用于全節電形式或RF輸送電率/直流電壓把控好。 該縮放器采用了低人工成本、3x3 mm無鉛單單從表面貼裝封裝形式,暗含裸露出底座以改善RF和散熱管機械性能。
|
品牌
|
型號
|
描述
|
貨期
|
庫存
|
|
ADI
|
HMC408LP3E
HMC408LP3ETR
|
1 W功率放大器SMT,5.1 - 5.9 GHz
|
現貨
|
275
|
HMC408LP3應用
-
802.11a & HiperLAN WLAN
-
UNII和點對點/多點無線電
HMC408LP3優勢和特點
-
增益: 20 dB
-
飽和功率: +32.5 dBm (27% PAE)
-
單電源電壓: +5V
-
省電功能
-
3x3 mm無鉛SMT封裝
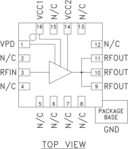
HMC408LP3結構圖
