HMC461LP3E雙渠道MMIC放縮器 1w高IP3放縮器 ADI現貨交易
公布事件:2018-06-26 11:49:49 觀看:1953
HMC461LP3(E)一款1.7 - 2.2 GHz高模擬輸出IP3 GaAs InGaP異質結雙電性單晶體管(HBT)雙車道MMIC變成器。 它在單獨集合控制電線中,作為兩只HMC455LP3高IP3驅動程序器的線性網絡效能,可在動態穩定平衡或推挽變成器控制電線中設置。 該變成器作為12 dB的增益值和+30.5 dBm的供大于求功效(當PAE為48%時),選擇+5 Vdc單電,一起選用動態穩定平衡設置的外接巴倫。
會因為有+45 dBm的高傳輸IP3,再運用1.2:1的低VSWR,所以說HMC461LP3(E)變成了是和PCS/3G無線數字核心設備的完美驅程縮放器。 雙MMIC縮放器智能家居控制電源電路運用低料工費的無引腳3x3 mm QFN表明貼裝打包封裝(LP3)。 LP3具備裸漏基極以體現不錯的RF和排熱穩定性。
|
品牌
|
型號
|
描述
|
貨期
|
庫存
|
|
ADI
|
HMC461LP3
|
1瓦特高IP3放大器,采用SMT封裝,1.7 - 2.2 GHz
|
現貨
|
278
|
HMC461LP3應用
-
多載波系統
-
GSM、GPRS和EDGE
-
CDMA和W-CDMA
-
PHS
-
可配置平衡或推挽
HMC461LP3優勢和特點
-
+45 dBm輸出IP3(平衡配置)
-
增益:12 dB
-
PAE為48%(Pout為+30.5 dBm時)
-
+20 dBm的W-CDMA通道功率(ACP為-45 dBc時)
-
3x3 mm QFN SMT封裝
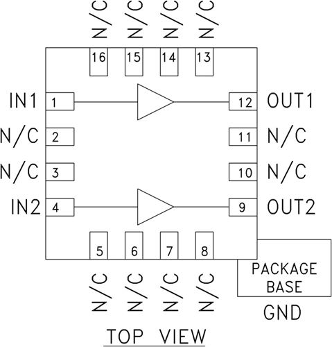
HMC461LP3結構圖
